Для студентов МГТУ им. Н.Э.Баумана по предмету Сопротивление материаловРастяжение — сжатие, КручениеРастяжение — сжатие, Кручение
5,0052
2017-12-272024-11-23СтудИзба
ДЗ 2: Растяжение — сжатие, Кручение вариант 9
-30%
Описание
Нужна только одна задача из всех? - Нажимай на ссылку
![]() | ![]() | ![]() |
Образец ![]()
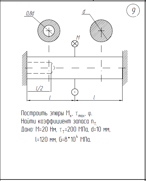
Показать/скрыть дополнительное описание1)Определить допустимую степень нагрева стержня. 2) Построить эпюры N,σ,w для найденного значения ΔT. 3)Как изменится коэффициент запаса по текучести, если нагреть только правый участок стержня длиной l? l=200мм; E=2*105/МПа; A=400мм2/; α/ст=12*10-6/1/град; σ/Т=150МПа; [n/Т]=2 1)Определить нагрузку, при которой в стержневой системе возникают первые пластические деформации. 2)Найти напряжения, возникающие в стержнях при найденной нагрузке. l=600мм; E=2*105/МПа; A=300мм2/; σ/Т=240МПа 1)Построить эпюры М/к, τ/max, φ. 2)Найти коэффициент запаса n/Т. М=20Нм; τ/Т=200МПа; d=10мм; l=120мм; G=8*104/МПа.
Файлы условия, демо
Характеристики домашнего задания
Предмет
Учебное заведение
Семестр
Номер задания
Вариант
Программы
Теги
Просмотров
755
Качество
Идеальное компьютерное
Размер
635,95 Kb
Список файлов
Вариант 9 - Задача 2.1.pdf
Вариант 9 - Задача 2.2.pdf
Вариант 9 - Задача 3.pdf
Вариант 9 - Растяжение-сжатие, Кручение.pdf

Вам все понравилось? Получите кэшбэк - 40 рублей на Ваш счёт при покупке. Поставьте оценку и напишите положительный комментарий к купленному файлу. После Вы получите деньги на ваш счет.