Для студентов МГТУ им. Н.Э.Баумана по предмету Сопротивление материаловРастяжение — сжатие, КручениеРастяжение — сжатие, Кручение
5,00510
2017-06-182024-11-23СтудИзба
ДЗ 2: Растяжение — сжатие, Кручение вариант 21
-30%
Описание
Нужна только одна задача из всех? - Нажимай на ссылку
![]() | ![]() | ![]() |
Образец ![]()
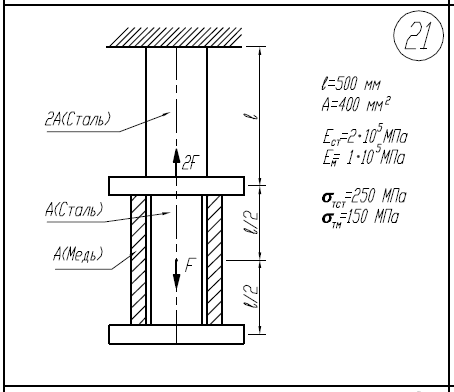
Показать/скрыть дополнительное описаниеОпределить нормальные силы и напряжения, возникающие в стержнях 1 и 2 при нагревании последнего на ΔT°. Найти вертикальное перемещение узла К. А=200мм2/; l=0,5м; E=2*105/МПа; α=12*10-6/1/град ΔT=100°С 1)Определить силу F, при которой в системе возникнут первые пластические деформации. 2)Построить эпюры N,σ,w для стержня и трубки при этом значении силы F. l=500мм; A=400мм2/; E/ст=2*105/МПа; E/м=1*105/МПа; σ/тст=250МПа; σ/тм=150МПа В системе имеется зазор, позволяющий сечению В поворачиваться на угол φ/С=0,0318рад. Построить эпюры М/к, τ/max, φ Вычислить коэффициент запаса по текучести, если: τ/Т=160МПа; d=20мм; l=0,4м=400мм; М=100Нм; G=8*104/МПа.
Файлы условия, демо
Характеристики домашнего задания
Предмет
Учебное заведение
Семестр
Номер задания
Вариант
Программы
Теги
Просмотров
899
Качество
Идеальное компьютерное
Размер
751,78 Kb
Список файлов
Вариант 21 - Задача 2.1.pdf
Вариант 21 - Задача 2.2.pdf
Вариант 21 - Задача 3.pdf
Вариант 21 - Растяжение-сжатие, Кручение.pdf

Вам все понравилось? Получите кэшбэк - 40 рублей на Ваш счёт при покупке. Поставьте оценку и напишите положительный комментарий к купленному файлу. После Вы получите деньги на ваш счет.