Для студентов МГТУ им. Н.Э.Баумана по предмету Сопротивление материаловРастяжение — сжатие, КручениеРастяжение — сжатие, Кручение
5,00513
2013-11-242024-09-01СтудИзба
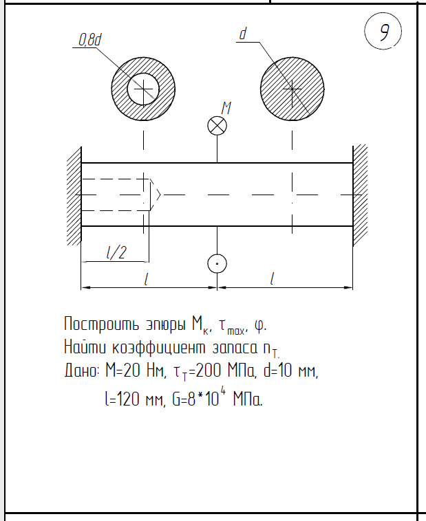
ДЗ 2: Растяжение — сжатие, Кручение вариант 9
-50%
Описание
Файлы условия, демо
Характеристики домашнего задания
Предмет
Учебное заведение
Семестр
Номер задания
Вариант
Теги
Просмотров
1917
Качество
Фото рукописных листов
Размер
10,09 Mb
Список файлов
2.1.pdf
2.2.pdf
3.pdf
(2.1).pdf
(3).pdf

Вам все понравилось? Получите кэшбэк - 40 рублей на Ваш счёт при покупке. Поставьте оценку и напишите положительный комментарий к купленному файлу. После Вы получите деньги на ваш счет.