Для студентов МГТУ им. Н.Э.Баумана по предмету Системы автоматического управления (САУ) (МТ-11)Разработка САУ координатного сверлильно-фрезерного станкаРазработка САУ координатного сверлильно-фрезерного станка
4,78522993
2017-12-22СтудИзба

Курсовая работа: Разработка САУ координатного сверлильно-фрезерного станка

Описание

В год конца света по календарю Майя (2012) был выполнен и сдан данный курсовой проект

«Координатный сверлильно-фрезерный станок для производства печатных плат»


2012 г.

Оглавление

РЕФЕРАТ. 4
ВВЕДЕНИЕ.. 5
1 Устройство установки и её функционирование. 6
1.1 Общее описание работы установки. 6
1.2 Состав установки. 7
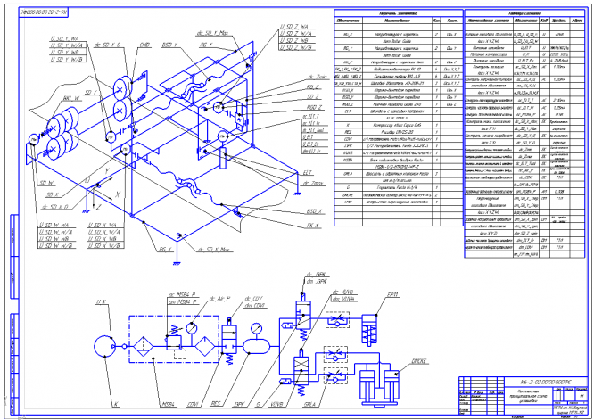
2 Система перемещения шпиндельного узла СПШ (K6-2-02.01.00.000) 7
2.1 Описание элементов системы перемещения шпиндельного узла. 7
2.1.1 Шаговые двигатели SD_X, SD_Y, SD_Z.. 7
2.1.2 Направляющие с кареткой RG _X, RG _Y, RG_Z.. 11
2.1.3 Винтовые передачи BSD_X, BSD_Y.. 11
2.2 Процессы системы перемещения шпиндельного узла. 12
2.2.1 Процесс «Позиционирование» . 12
2.2.2 Процесс «Загрузка ПП» . 13
2.2.3 Процесс «Выгрузка ПП» . 13
3 Шпиндельная система ШС (K6-2-02.02.00.000) 14
3.1 Описание элементов шпиндельной системы.. 14
3.1.1 Высокочастотный шпиндель ТМPE0. 14
3.2 Процессы шпиндельной системы.. 15
3.2.1 Процесс «Смена инструмента» . 15
3.2.2 Процесс «Фрезерование» . 16
3.2.3 Процесс «Сверление» . 18
3.2.4 Процесс «Остановка технологического процесса» . 19
4 Пневмосистема ПНЕВ (K6-2-02.03.00.000) 20
4.1 Описание элементов пневмосистемы.. 21
4.1.1 Компрессор K.. 21
4.1.2 Блок подготовки воздуха MSB4. 21
4.2 Действия, реализуемые пневмосистемой. 22
5 Система электропитания и управления СЭУ (K6-2-02.04.00.000) 22
5.1 Система электропитания СЭО.. 22
5.1.1 Силовой модуль SM... 23
5.1.2 Источник питания S_100_24. 24
5.1.3 Источник питания S_15_5. 24
5.1.4 Преобразователь частоты KEB_F5G3B.. 24
5.2 Система управления САУ.. 25
5.2.1 Компьютер рабочего места оператора. 25
5.2.2 Контроллер CPU188-5. 26
6 Требования к программному обеспечению координатного сверлильно-фрезерного станка 27
7 Расчет потребителей и выбор блоков питания. 28
8 Заключение. 31
9 Используемая литература. 32
ПРИЛОЖЕНИЕ.. 33


РЕФЕРАТ

В данном курсовом проекте рассмотрена система автоматизированного управления установкой сверления и фрезерования печатных плат.

Рассмотрены основные узлы САУ и проведено проектирование принципиальной схемы соединений.

Графическую часть проекта составляют 4 листа, выполненных в среде Компас-3D V13.

Расчетно-пояснительная записка составляет 33 листа, выполненных в среде Microsoft Word 2003. Записка содержит 12 таблиц.

Графическая часть курсового проекта содержит:

1. Процессную модель установки.

2. Комплексную принципиальную схему установки.

3. Таблицы сигналов и элементов.

4. Схему соединений.





Ключевые слова:


ДЛИННОМЕРНАЯ ПЕЧАТНАЯ ПЛАТА, СВЕРЛЕНИЕ, ФРЕЗЕРОВАНИЕ, АВТОМАТИЗАЦИЯ ПРОЦЕССА, АВТОМАТИЗАЦИЯ ПЕРЕМЕЩЕНИЯ ЗАГОТОВКИ.














ВВЕДЕНИЕ

Установка сверления печатных плат предназначена для механической обработки печатных плат (сверление отверстий, фрезерование изолирующих каналов) и ориентированы для применения на производствах, где необходимо сочетать высокую точность и качество обработки с большими размерами партий продукции. Наличие широкого набора дополнительных устройств (опций) делает ее способной выполнять операции по механической обработке заготовок печатных плат любого класса и размера.

Загрузка/выгрузка заготовок производится вручную. Система перемещения шпиндельного узла установки состоит из трех приводов: - перемещения по оси Х, Y на шариковой винтовой передаче (ШВП), а по оси Z – на речной передаче. Для сверления отверстий установлен высокоскоростной шпиндель с автоматической заменой инструмента. Способ фиксации заготовок: на первом цикле - с помощью зажимов, фиксируемых в призматическо-щелевых пазах стола, на последующих – с помощью устройства перемещения заготовки. Устройство перемещения заготовки состоит из системы зубчатых колес, его основной задачей является перемещение заготовки на один шаг обработки.

Шариковая винтовая передача обладает следующими преимуществами:

·высокая точность позиционирования

·скорость перемещения

·плавность хода

·нагрузочная способность

·осевая жесткость

·долговечностью

·высокий КПД 85-90%

·надежность работы на высоких скоростях

·реверсивность.

Для обеспечения перемещения шпинделя по оси Z применена реечная передача. Станок обеспечивает частоту вращения шпинделя 10 000-40 000об/мин. Возможная толщина платы для обработки 0,01-3,0 мм, диаметр сверления 0,5-2,5 мм. Фрезерование обычно ведется коническими фрезами с углом при вершине 60 или 30 градусов (в ряде случаев - менее 18 градусов). На станке можно обрабатывать заготовки плат максимальным размером 60000х350 мм.

Прототипы печатных плат могут быть изготовлены без применения фотохимических процессов - методом фрезерования. Основное преимущество механического метода - высокая оперативность и простота реализации.

Механическое изготовление плат происходит полностью на одном станке и включает следующие этапы:

1) подготовка управляющего файла для станка с ЧПУ;

2) фрезерование изолирующих каналов;

3) автоматическая сверловка заготовки;

4) металлизация переходных отверстий (возможны различные способы).


Характеристики курсовой работы

Список файлов

Разработка САУ координатного сверлильно-фрезерного станка
Презентация.ppt
Прочти меня.txt
РПЗ.doc
Чертежи.pdf
Чертёж (1).cdw
Чертёж (1).dwg
Чертёж (2).cdw
Чертёж (2).dwg
Чертёж (3).cdw
Чертёж (3).dwg
Чертёж (4).cdw
Чертёж (4).dwg
Картинка-подпись
Зарабатывай на студизбе! Просто выкладывай то, что так и так делаешь для своей учёбы: ДЗ, шпаргалки, решённые задачи и всё, что тебе пригодилось.
Начать зарабатывать

Комментарии

Нет комментариев
Стань первым, кто что-нибудь напишет!
Поделитесь ссылкой:
Цена: 1 200 руб.
Расширенная гарантия +3 недели гарантии, +10% цены
Рейтинг автора
4,78 из 5
Поделитесь ссылкой:
Сопутствующие материалы

Подобрали для Вас услуги

-66%
Вы можете использовать курсовую работу для примера, а также можете ссылаться на неё в своей работе. Авторство принадлежит автору работы, поэтому запрещено копировать текст из этой работы для любой публикации, в том числе в свою курсовую работу в учебном заведении, без правильно оформленной ссылки. Читайте как правильно публиковать ссылки в своей работе.
Свежие статьи
Популярно сейчас
Как Вы думаете, сколько людей до Вас делали точно такое же задание? 99% студентов выполняют точно такие же задания, как и их предшественники год назад. Найдите нужный учебный материал на СтудИзбе!
Ответы на популярные вопросы
Да! Наши авторы собирают и выкладывают те работы, которые сдаются в Вашем учебном заведении ежегодно и уже проверены преподавателями.
Да! У нас любой человек может выложить любую учебную работу и зарабатывать на её продажах! Но каждый учебный материал публикуется только после тщательной проверки администрацией.
Вернём деньги! А если быть более точными, то автору даётся немного времени на исправление, а если не исправит или выйдет время, то вернём деньги в полном объёме!
Да! На равне с готовыми студенческими работами у нас продаются услуги. Цены на услуги видны сразу, то есть Вам нужно только указать параметры и сразу можно оплачивать.
Отзывы студентов
Ставлю 10/10
Все нравится, очень удобный сайт, помогает в учебе. Кроме этого, можно заработать самому, выставляя готовые учебные материалы на продажу здесь. Рейтинги и отзывы на преподавателей очень помогают сориентироваться в начале нового семестра. Спасибо за такую функцию. Ставлю максимальную оценку.
Лучшая платформа для успешной сдачи сессии
Познакомился со СтудИзбой благодаря своему другу, очень нравится интерфейс, количество доступных файлов, цена, в общем, все прекрасно. Даже сам продаю какие-то свои работы.
Студизба ван лав ❤
Очень офигенный сайт для студентов. Много полезных учебных материалов. Пользуюсь студизбой с октября 2021 года. Серьёзных нареканий нет. Хотелось бы, что бы ввели подписочную модель и сделали материалы дешевле 300 рублей в рамках подписки бесплатными.
Отличный сайт
Лично меня всё устраивает - и покупка, и продажа; и цены, и возможность предпросмотра куска файла, и обилие бесплатных файлов (в подборках по авторам, читай, ВУЗам и факультетам). Есть определённые баги, но всё решаемо, да и администраторы реагируют в течение суток.
Маленький отзыв о большом помощнике!
Студизба спасает в те моменты, когда сроки горят, а работ накопилось достаточно. Довольно удобный сайт с простой навигацией и огромным количеством материалов.
Студ. Изба как крупнейший сборник работ для студентов
Тут дофига бывает всего полезного. Печально, что бывают предметы по которым даже одного бесплатного решения нет, но это скорее вопрос к студентам. В остальном всё здорово.
Спасательный островок
Если уже не успеваешь разобраться или застрял на каком-то задание поможет тебе быстро и недорого решить твою проблему.
Всё и так отлично
Всё очень удобно. Особенно круто, что есть система бонусов и можно выводить остатки денег. Очень много качественных бесплатных файлов.
Отзыв о системе "Студизба"
Отличная платформа для распространения работ, востребованных студентами. Хорошо налаженная и качественная работа сайта, огромная база заданий и аудитория.
Отличный помощник
Отличный сайт с кучей полезных файлов, позволяющий найти много методичек / учебников / отзывов о вузах и преподователях.
Отлично помогает студентам в любой момент для решения трудных и незамедлительных задач
Хотелось бы больше конкретной информации о преподавателях. А так в принципе хороший сайт, всегда им пользуюсь и ни разу не было желания прекратить. Хороший сайт для помощи студентам, удобный и приятный интерфейс. Из недостатков можно выделить только отсутствия небольшого количества файлов.
Спасибо за шикарный сайт
Великолепный сайт на котором студент за не большие деньги может найти помощь с дз, проектами курсовыми, лабораторными, а также узнать отзывы на преподавателей и бесплатно скачать пособия.
Популярные преподаватели
Добавляйте материалы
и зарабатывайте!
Продажи идут автоматически
6933
Авторов
на СтудИзбе
266
Средний доход
с одного платного файла
Обучение Подробнее
{user_main_secret_data}