Для студентов МГТУ им. Н.Э.Баумана по предмету Системы автоматического управления (САУ) (МТ-11)Вакуумная система установки обработки катодов импульсной плазмойВакуумная система установки обработки катодов импульсной плазмой
4,78523037
2017-12-22СтудИзба

Курсовая работа: Вакуумная система установки обработки катодов импульсной плазмой

Описание

Готовый курсовой проект по САУ, который был защищён в 2009-м году

Содержание


1. Реферат. 3

2. Введение. 4

3. Процессная модель. 5

3.1. Подготовка к работе. 6

3.2. Работа. 6

3.3. Выбор сервисных процессов. 6

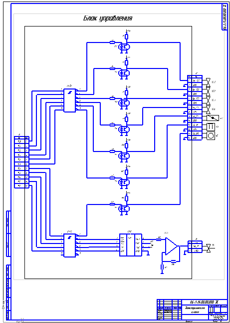
4. Комплексная принципиальная схема. 7

5. Технические параметры управляемых элементов. 9

5.1. Насос форвакуумный. 9

5.2. Насос высоковакуумный. 9

5.3. Клапан вакуумный. 10

5.4. Клапан водяной. 11

5.5. Затвор вакуумный. 11

5.6. Натекатель. 11

6. Технические параметры датчиков. 13

6.1. Вакуумметр термопарный. 13

6.1. Вакуумметр ионизационный. 13

6.2. Датчик напряжения. 14

7. Блок питания. 16

8. Цифроаналоговый преобразователь AD7233. 17

9. Операционный усилитель КР140УД18. 19

10. 8-разрядный флэш-микроконтроллер с полноскоростным USB-портом AT89C5131. 20

11. Оптопара AOT 101 AC.. 23

12. Инвертер SN7414N.. 20

13. Расчет параметров ОУ и оптопары.. 25

14. Заключение. 26

15. Список использованных источников. 27

Приложение. 28



В данном курсовом проекте рассмотрена система автоматизированного управления вакуумной системой откачки рабочей камеры установки для обработки катодов импульсной плазмой (ОКИП).

Рассмотрены узлы САУ, отвечающие за управление внешними устройствами, и проведено проектирование принципиальной электрической схемы.

Графическую часть проекта составляют 4 листа, выполненных в среде Компас-3D V9.

Расчетно – пояснительная записка составляет 36 листов, выполненных в среде Microsoft Word 2007.


Графическая часть курсового проекта содержит:

  1. Комплексную принципиальную схему установки.
  2. Процессную модель установки. Блок схему алгоритмов работы.
  3. Таблицы сигналов, элементов и процессов.
  4. Электрическую принципиальную схему.



  1. Введение


Импульсное воздействие разряда в вакууме или какой-либо среде предоставляет совершенно новые возможности модификации поверхностных слоев материалов. Именно импульсное воздействие позволяет изменить поверхность, не затрагивая объем материала. Для обработки поверхностей МП катодов лучше всего может подойти именно такой тип импульсной обработки, так как разряд протекает в вакууме и дает возможность контролировать примеси, которые перераспределятся в поверхностном слое. Кроме того, импульсный разряд в вакууме позволяет формировать поверхностный слой из материала катода. На рис. 1 представлена экспериментальная установка для обработки катодов импульсной плазмой (ОКИП).



Рис.1. Установка для обработки катодов импульсной плазмой (ОКИП).


3. Процессная модель

Табл.1. Таблица процессов

Наименование

процесса

Обозначение

процесса

Критерий начала

Режим

Критерий

оконча­ния

Ресурсы

1

Включение установки

Start


Ручной


Оператор

2

Закрытие клапана VE3

Op_VE3

Установка включена

Автомат.

Клапан VE3 закрыт

БУ


Включение форвакуумного насоса NI

U_NI

Клапан VE3 закрыт

Автомат.

Насос NI включен

БУ


Открытие клапана VE4

Op_VE4

PPT2<1 Па

Автомат.

Клапан VE4 открыт

БУ


Включение диффузионного насоса ND

U_ND

Клапан VE4 открыт

Автомат.

Насос ND включен

БУ


Закрытие клапана VE2

Op_VE2

t=40 мин

Автомат.

Клапан VE2 закрыт

БУ


Открытие клапана VE1

Op_VE1

Клапан VE2 закрыт

Автомат.

Клапан VE1 открыт

БУ


Закрытие клапана VE1

Op_VE1

PPT1<1 Па

Автомат.

Клапан VE1 закрыт

БУ


Открытие клапана VE2

Op_VE2

Клапан VE1 закрыт

Автомат.

Клапан VE2 открыт

БУ


Открытие затвора VT

Op_VT

t=3 мин

Автомат.

Затвор VT открыт

БУ


Закрытие затвора VT

Op_VT

PPA<10-2 Па

Автомат.

Затвор VT закрыт

БУ


Открытие натекателя VF

Op_VF

Затвор VT закрыт

Автомат.

P>10 Па

БУ


Закрытие натекателя VF

Op_VF

P>10 Па

Автомат.

Натекатель VF закрыт

БУ


Выключения диффузионного насоса ND

U_ND

Натекатель VF закрыт

Автомат.

Насос ND выключен

БУ


Закрытие клапана VE4

Op_VE4

Насос ND выключен

Автомат.

Клапан VE4 закрыт

БУ


Выключения форвакуумного насоса NI

U_NI

Клапан VE4 закрыт

Автомат.

Насос NI выключен

БУ


Открытие клапана VE3

Op_VE3

Насос NI выключен

Автомат.

Клапан VE3 открыт

БУ



Характеристики курсовой работы

Список файлов

Вакуумная система установки обработки катодов импульсной плазмой
Лист (1).cdw
Лист (2).cdw
Лист (3).cdw
Лист (4).cdw
Презентация.ppt
Прочти меня.txt
САУ.doc
Спецификация.SPW
Картинка-подпись
Зарабатывай на студизбе! Просто выкладывай то, что так и так делаешь для своей учёбы: ДЗ, шпаргалки, решённые задачи и всё, что тебе пригодилось.
Начать зарабатывать

Комментарии

Нет комментариев
Стань первым, кто что-нибудь напишет!
Поделитесь ссылкой:
Цена: 1 200 руб.
Расширенная гарантия +3 недели гарантии, +10% цены
Рейтинг автора
4,78 из 5
Поделитесь ссылкой:
Сопутствующие материалы

Подобрали для Вас услуги

-20%
Вы можете использовать курсовую работу для примера, а также можете ссылаться на неё в своей работе. Авторство принадлежит автору работы, поэтому запрещено копировать текст из этой работы для любой публикации, в том числе в свою курсовую работу в учебном заведении, без правильно оформленной ссылки. Читайте как правильно публиковать ссылки в своей работе.
Свежие статьи
Популярно сейчас
А знаете ли Вы, что из года в год задания практически не меняются? Математика, преподаваемая в учебных заведениях, никак не менялась минимум 30 лет. Найдите нужный учебный материал на СтудИзбе!
Ответы на популярные вопросы
Да! Наши авторы собирают и выкладывают те работы, которые сдаются в Вашем учебном заведении ежегодно и уже проверены преподавателями.
Да! У нас любой человек может выложить любую учебную работу и зарабатывать на её продажах! Но каждый учебный материал публикуется только после тщательной проверки администрацией.
Вернём деньги! А если быть более точными, то автору даётся немного времени на исправление, а если не исправит или выйдет время, то вернём деньги в полном объёме!
Да! На равне с готовыми студенческими работами у нас продаются услуги. Цены на услуги видны сразу, то есть Вам нужно только указать параметры и сразу можно оплачивать.
Отзывы студентов
Ставлю 10/10
Все нравится, очень удобный сайт, помогает в учебе. Кроме этого, можно заработать самому, выставляя готовые учебные материалы на продажу здесь. Рейтинги и отзывы на преподавателей очень помогают сориентироваться в начале нового семестра. Спасибо за такую функцию. Ставлю максимальную оценку.
Лучшая платформа для успешной сдачи сессии
Познакомился со СтудИзбой благодаря своему другу, очень нравится интерфейс, количество доступных файлов, цена, в общем, все прекрасно. Даже сам продаю какие-то свои работы.
Студизба ван лав ❤
Очень офигенный сайт для студентов. Много полезных учебных материалов. Пользуюсь студизбой с октября 2021 года. Серьёзных нареканий нет. Хотелось бы, что бы ввели подписочную модель и сделали материалы дешевле 300 рублей в рамках подписки бесплатными.
Отличный сайт
Лично меня всё устраивает - и покупка, и продажа; и цены, и возможность предпросмотра куска файла, и обилие бесплатных файлов (в подборках по авторам, читай, ВУЗам и факультетам). Есть определённые баги, но всё решаемо, да и администраторы реагируют в течение суток.
Маленький отзыв о большом помощнике!
Студизба спасает в те моменты, когда сроки горят, а работ накопилось достаточно. Довольно удобный сайт с простой навигацией и огромным количеством материалов.
Студ. Изба как крупнейший сборник работ для студентов
Тут дофига бывает всего полезного. Печально, что бывают предметы по которым даже одного бесплатного решения нет, но это скорее вопрос к студентам. В остальном всё здорово.
Спасательный островок
Если уже не успеваешь разобраться или застрял на каком-то задание поможет тебе быстро и недорого решить твою проблему.
Всё и так отлично
Всё очень удобно. Особенно круто, что есть система бонусов и можно выводить остатки денег. Очень много качественных бесплатных файлов.
Отзыв о системе "Студизба"
Отличная платформа для распространения работ, востребованных студентами. Хорошо налаженная и качественная работа сайта, огромная база заданий и аудитория.
Отличный помощник
Отличный сайт с кучей полезных файлов, позволяющий найти много методичек / учебников / отзывов о вузах и преподователях.
Отлично помогает студентам в любой момент для решения трудных и незамедлительных задач
Хотелось бы больше конкретной информации о преподавателях. А так в принципе хороший сайт, всегда им пользуюсь и ни разу не было желания прекратить. Хороший сайт для помощи студентам, удобный и приятный интерфейс. Из недостатков можно выделить только отсутствия небольшого количества файлов.
Спасибо за шикарный сайт
Великолепный сайт на котором студент за не большие деньги может найти помощь с дз, проектами курсовыми, лабораторными, а также узнать отзывы на преподавателей и бесплатно скачать пособия.
Популярные преподаватели
Добавляйте материалы
и зарабатывайте!
Продажи идут автоматически
6948
Авторов
на СтудИзбе
265
Средний доход
с одного платного файла
Обучение Подробнее