Курсовая работа: Установка низкотемпературного обезвоживания в вакууме

Описание

Готовый курсовой проект по САУ 2007-го года

РАСЧЕТНО-ПОЯСНИТЕЛЬНАЯ ЗАПИСКА


к курсовому проекту «Основы проектирования систем автоматического управления оборудования электронных технологий»

на тему:

«Установка низкотемпературного обезвоживания

в вакууме»


Москва 2007г.

Оглавление.

Оглавление. 2

Техническое задание. 3

Реферат. 4

Введение. Назначение установки НОВ-2. 5

1.Устройство установки НОВ-2АГИ и её функционирование. 7

1.1. Общее описание работы установки. 7

1.2. Состав установки. 7

2.Система загрузки продукта SZG.. 8

2.1. Описание элементов системы загрузки продукта. 8

2.1.1. Насос загрузки продукта NZ.. 8

2.1.2. Краны управления загрузкой KV1, KV3, KV4. 9

2.1.3. Сигнализаторы уровня SU1..SU4. 10

2.1.4. Пневмоцилиндр PZD.. 11

2.2. Процессы системы загрузки продукта. 12

2.2.1. Процесс «Бункер приемный ». 12

2.2.2. Процесс «Дозатор ». 12

2.2.3. Процесс «Шлюз » . 13

3.Система транспортирования продукта внутри технологической камеры STR.. 14

3.1. Описание элементов системы транспортирования продукта внутри технологической камеры 14

3.1.1. Пневмоцилиндры PZ1..PZ3. 14

3.2. Процессы системы транспортирования продукта внутри технологической камеры.. 16

3.2.1. Процесс «Транспортирование» . 16

3.2.2. Процесс «Ворошение» . 17

4.Пневмосистема PSYS. 18

4.1. Описание элементов пневмосистемы.. 20

4.1.1. Компрессор KMP. 20

4.1.2. Осушитель рефрижераторный DRY 21. 20

4.1.3. Пневмоагрегат. 20

5.Система электропитания SEP. 22

6.Система управления SU.. 24

6.1. Описание элементов системы управления. 24

6.1.1. Компьютер рабочего места оператора. 24

6.1.2. Контроллер СУ.. 24

6.2. Описание процессов системы управления. 27

6.3. Разделение функций между рабочим местом оператора и контроллером СУ 29

6.4. Режимы работы программного обеспечения установки НОВ-2АГИ.. 29

ПРИЛОЖЕНИЕ 1 . Комплексная принципиальная схема установки. 32

7.Описание датчиков и исполнительных элементов установки и ее САУ. 39

7.1. Элементы САУ. 39

7.1.1. Микроконтроллер CPU188R Fastwel 39

7.1.2. Панель релейной коммутации TBR-8 Fastwel 42

7.1.3. Клеммные платы TB-10, TB-20 Fastwel 43

7.1.4. Контроллер клавиатуры PSKI-1 Octagon Systems. 44

7.1.5. Источник питания 7155 Octagon Systems. 45

7.2. Элементы пневмоавтоматики. 47

7.2.1. Блок подготовки воздуха MSB-FRC Festo. 47

7.2.2. Распределитель с электромагнитным управлением MN2H (2х3/2) Festo. 48

7.2.3. Распределитель с электромагнитным управлением MN2H (5/2) Festo. 49

7.2.4. Датчик положения герконовый SME-8-ZS-KL-LED-24 Festo. 51

Список литературы. 53


Техническое задание.


ЗАДАНИЕ

на курсовой проект по системам автоматического управления оборудования электронных технологий.

Тема проекта:____ «Установка низкотемпературного обезвоживания

в вакууме»



1. Проработать описание работы машины, выбрать и обосновать состав его основных целевых функций, сервисных функций, функций коррекции цели.

2. Разработать комплексную принципиальную схему, как совокупность системы целевых механизмов, системы их энергообеспечения и системы управления, связанных материальными, энергетическими и информационными потоками.

3. Описать механический, энергетический и информационный интерфейс компонентов машины. Дать техническое задание и техническое предложение на САУ и основные элементы машины.

4. Разработать принципиальную электрическую схему элемента САУ или САУ в целом.


Содержание графической части.

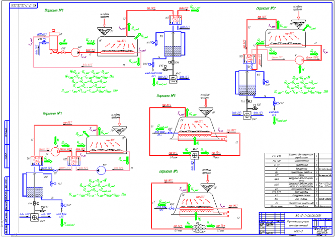
  1. Варианты циркуляции тепловых потоков............................1л.
  2. Комплексная принципиальная схема....................................4 л.
  3. Вариантность системы управления..................................1 л.


Содержание расчетно-пояснительной записки.

  1. Введение. Описание целевого, механического и энергетического интерфейса спроектированной технологической машины.
  2. Описание процессной модели. Выбор и обоснование целевых, сервисных функций, и функций коррекции цели.
  3. Техническое задание и техническое предложение на систему управления машины по приведенной в Приложении 1 форме.
  4. Описание комплексной принципиальной схемы ФС. Обоснование структурно-компоновочного решения, выбор и согласование уровней потоков элементов.
  5. Документы, сопровождающие комплексную принципиальную схему:
  6. перечень элементов ПЭ;
  7. перечень потоков и сигналов ПС;
  8. технические задания на основные подсистемы и узлы машины ТЗ.
  9. Информационный поиск датчиков и исполнительных элементов машины и ее САУ, описание целевого, механического, энергетического и информационного интерфейса этих элементов ОЭ.
  10. Расчет и описание принципиальной электрической схемы.
  11. Заключение.


Реферат.


Графические работы в объеме 6 листов выполнены на ПК с помощью программы АСКОН КОМПАС v.7Plus. Записка выполнена с использованием программного продукта Microsoft Word.

Целью данного курсового проекта является овладение навыками, методами и средствами комплексных разработок механических и электронных компонентов оборудования САУ, а также правилами и методами составления технического задания на программное обеспечение САУ.

Задачи проекта состоят в:

  • распределении функций машины между различными компонентами и обоснование этих функций;
  • постановке четких технических заданий перед разработчиками отдельных компонентов;
  • выполнении технической документации на электронные компоненты.

В проекте разработана система управления установкой низкотемпературного обезвоживания в вакууме НОВ-2.

Курсовой проект выполнен в следующем объеме: комплексная принципиальная схема (КПС) установки, включающая разработку КПС механической части, КПС систем пневмоавтоматики, энергообеспечения и управления; схема; экран монитора персонального компьютера. В расчетно-пояснительной записке приведены необходимые пояснения и отражены принципы построения САУ установки, даны расчеты и описания.




















Введение. Назначение установки НОВ-2.

Технология низкотемпературного обезвоживания в вакууме (технология НОВ) – это процесс разделения водосодержащих веществ на три составляющие: сухой продукт влажностью до 1%; водный конденсат, как минимум, допускающий без дополнительной обработки его техническое применение; незначительный газообразный выхлоп.

Установка низкотемпературного обезвоживания в вакууме (НОВ-2АГИ) предназначена для демонстрации возможностей технологии НОВ и для отработки режимов обезвоживания различных веществ, имеющих первоначальную влажность от 98% до 65%. В первую очередь, таких как жмых оливок, свиной помет, куриный помет, томатная пульпа и т.д.

В установке предусмотрены следующие способы нагрева обрабатываемого продукта:

  • с помощью горячей воды, получаемой от внешнего источника;
  • с помощью горячей воды, циркулирующей по замкнутому циклу с подогревом от котла с электроподогревом;
  • с помощью отработавшего пара, выходящего из паровой турбины электрогенератора.

Система транспортировки продукта по теплообменнику внутри технологической камеры предусматривает различные способы его перемещения и перемешивания. Продукт может ворошиться на месте и перемещаться на шаг транспортирования. Интервалы времени между тактами локальных перемещений при ворошении и число тактов ворошения между перемещениями на шаг транспортирования могут определяться программно и изменяться в процессе работы установки.

Управление установкой автоматизировано. На мониторе отображается состояние ее подсистем и элементов. Оператор имеет возможность задавать уставки на основные параметры реализуемых процессов, активизировать их и далее они выполняются автоматически. В процессе работы установки фиксируются в памяти системы управления и сохраняются на жестком диске файлы отчёта о работе, предназначенные для анализа режимов ее работы с целью выбора оптимальных режимов функционирования.

Ручной режим управления позволяет реализовать нетиповые режимы и устранять нештатные ситуации.

Характеристики курсовой работы

Список файлов

Установка низкотемпературного обезвоживания в вакууме
sau_1.cdw
sau_2.cdw
sau_3.cdw
sau_4.cdw
sau_5.cdw
sau_6.cdw
sau_7.frw
sau_8.cdw
Задание.doc
Прочти меня.txt
РПЗ.doc
Картинка-подпись
Зарабатывай на студизбе! Просто выкладывай то, что так и так делаешь для своей учёбы: ДЗ, шпаргалки, решённые задачи и всё, что тебе пригодилось.
Начать зарабатывать

Комментарии

Нет комментариев
Стань первым, кто что-нибудь напишет!
Поделитесь ссылкой:
Цена: 1 200 руб.
Расширенная гарантия +3 недели гарантии, +10% цены
Рейтинг автора
4,79 из 5
Поделитесь ссылкой:
Сопутствующие материалы

Подобрали для Вас услуги

-55%
-20%
-26%
-50%
Вы можете использовать курсовую работу для примера, а также можете ссылаться на неё в своей работе. Авторство принадлежит автору работы, поэтому запрещено копировать текст из этой работы для любой публикации, в том числе в свою курсовую работу в учебном заведении, без правильно оформленной ссылки. Читайте как правильно публиковать ссылки в своей работе.
Свежие статьи
Популярно сейчас
Зачем заказывать выполнение своего задания, если оно уже было выполнено много много раз? Его можно просто купить или даже скачать бесплатно на СтудИзбе. Найдите нужный учебный материал у нас!
Ответы на популярные вопросы
Да! Наши авторы собирают и выкладывают те работы, которые сдаются в Вашем учебном заведении ежегодно и уже проверены преподавателями.
Да! У нас любой человек может выложить любую учебную работу и зарабатывать на её продажах! Но каждый учебный материал публикуется только после тщательной проверки администрацией.
Вернём деньги! А если быть более точными, то автору даётся немного времени на исправление, а если не исправит или выйдет время, то вернём деньги в полном объёме!
Да! На равне с готовыми студенческими работами у нас продаются услуги. Цены на услуги видны сразу, то есть Вам нужно только указать параметры и сразу можно оплачивать.
Отзывы студентов
Ставлю 10/10
Все нравится, очень удобный сайт, помогает в учебе. Кроме этого, можно заработать самому, выставляя готовые учебные материалы на продажу здесь. Рейтинги и отзывы на преподавателей очень помогают сориентироваться в начале нового семестра. Спасибо за такую функцию. Ставлю максимальную оценку.
Лучшая платформа для успешной сдачи сессии
Познакомился со СтудИзбой благодаря своему другу, очень нравится интерфейс, количество доступных файлов, цена, в общем, все прекрасно. Даже сам продаю какие-то свои работы.
Студизба ван лав ❤
Очень офигенный сайт для студентов. Много полезных учебных материалов. Пользуюсь студизбой с октября 2021 года. Серьёзных нареканий нет. Хотелось бы, что бы ввели подписочную модель и сделали материалы дешевле 300 рублей в рамках подписки бесплатными.
Отличный сайт
Лично меня всё устраивает - и покупка, и продажа; и цены, и возможность предпросмотра куска файла, и обилие бесплатных файлов (в подборках по авторам, читай, ВУЗам и факультетам). Есть определённые баги, но всё решаемо, да и администраторы реагируют в течение суток.
Маленький отзыв о большом помощнике!
Студизба спасает в те моменты, когда сроки горят, а работ накопилось достаточно. Довольно удобный сайт с простой навигацией и огромным количеством материалов.
Студ. Изба как крупнейший сборник работ для студентов
Тут дофига бывает всего полезного. Печально, что бывают предметы по которым даже одного бесплатного решения нет, но это скорее вопрос к студентам. В остальном всё здорово.
Спасательный островок
Если уже не успеваешь разобраться или застрял на каком-то задание поможет тебе быстро и недорого решить твою проблему.
Всё и так отлично
Всё очень удобно. Особенно круто, что есть система бонусов и можно выводить остатки денег. Очень много качественных бесплатных файлов.
Отзыв о системе "Студизба"
Отличная платформа для распространения работ, востребованных студентами. Хорошо налаженная и качественная работа сайта, огромная база заданий и аудитория.
Отличный помощник
Отличный сайт с кучей полезных файлов, позволяющий найти много методичек / учебников / отзывов о вузах и преподователях.
Отлично помогает студентам в любой момент для решения трудных и незамедлительных задач
Хотелось бы больше конкретной информации о преподавателях. А так в принципе хороший сайт, всегда им пользуюсь и ни разу не было желания прекратить. Хороший сайт для помощи студентам, удобный и приятный интерфейс. Из недостатков можно выделить только отсутствия небольшого количества файлов.
Спасибо за шикарный сайт
Великолепный сайт на котором студент за не большие деньги может найти помощь с дз, проектами курсовыми, лабораторными, а также узнать отзывы на преподавателей и бесплатно скачать пособия.
Популярные преподаватели
Добавляйте материалы
и зарабатывайте!
Продажи идут автоматически
7149
Авторов
на СтудИзбе
253
Средний доход
с одного платного файла
Обучение Подробнее