Курсовая работа: САУ установки для пескоструйной обработки стеклоизделий

Описание

Курсовой проект по системам автоматического управления 2005-го года

Курсовой проект:

"Автоматизация установки для пескоструйной обработки стеклоизделий"


Москва, 2005 г.

ЗАДАНИЕ

на курсовой проект по системам автоматического управления оборудования электронных технологий.


Тема проекта: САУ установки для пескоструйной обработки стеклоизделий



1. Проработать описание работы установки и обосновать состав его основных целевых функций, сервисных функций, функций коррекции цели.

2. Разработать комплексную принципиальную схему, как совокупность системы целевых механизмов, системы их энергообеспечения и системы управления, связанных материальными, энергетическими и информационными потоками.

3. Описать механический, энергетический и информационный интерфейс компонентов машины.


Содержание графической части.


1. Процессная модель машины..................................................1 л.

2. Комплексная принципиальная схема....................................2 л.

3. Принципиальная электрическая схема..................................1 л.


Содержание расчетно-пояснительной записки.


1. Введение.

2. Описание процессной модели. Выбор и обоснование целевых, сервисных функций и функций коррекции цели.

3. Описание комплексной принципиальной схемы.

4. Технические задания на элементы и узлы машины.

5. Расчет и описание схемы.

6. Заключение.


Реферат


В курсовом проекте рассматривается установка для пескоструйной обработки стеклоизделий. Установка позволяет обрабатывать (матировать) стеклоизделия в автоматическом режиме, без непосредственного участия оператора, способна обнаруживать аварийные ситуации и производить аварийное выключение двигателей, во избежание выхода их из строя.

Была разработана система автоматического управления, которая позволяет:

· Автоматически осуществлять процессы связанные с включением установки и выходом ее на режим;

· Контролировать необходимое конечное положение стеклоизделий на транспортере;

· Выдержать необходимую глубину обработки;

· Ускорить процесс обработки.

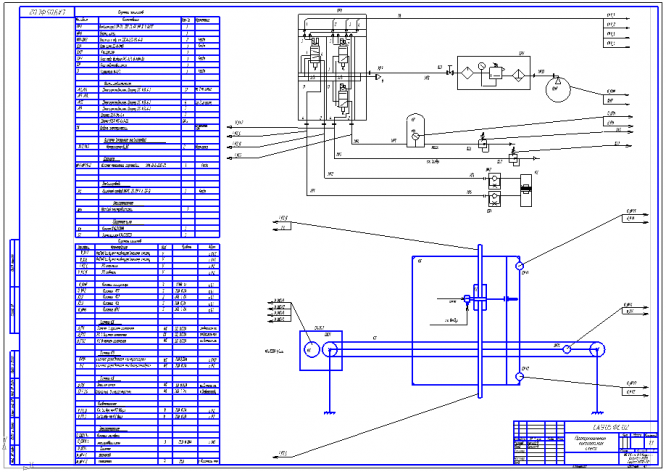
Курсовой проект выполнен в объеме 4-х листов формата А1, выполненных в среде САПР Компас-график 3Dv8.0, и 23 листов формата А4 расчетно-пояснительной записки, выполненных в среде MS Office2003. На первом листе САУ.00.АЛГ приведены алгоритм основных целевых процессов рабочего цикла установки. На втором листе приведена механическая САУ.00.ФС1 и пневматическая САУ.00.ФС2 комплексная принципиальная схема (КПС) установки и таблицы перечня элементов и сигналов. На третьем листе приведена комплексная принципиальная схема (КПС) электропитания САУ.00.ФС3 и системы управления САУ.00.ФС4 с соответствующими таблицами. На четвертом листе САУ.00.Э3 приведена принципиальная схема микроконтроллера.



Оглавление

Реферат. 3
Оглавление. 4
Введение. 5
Техническое предложение по разработке САУ установки. 6
1. Общие требования к алгоритму управления. 6
2. Процессы, реализуемые в системе. 7
2.1. Основные целевые процессы.. 7
2.2. Сервисные процессы.. 11
2.3. Процессы коррекции цели. 11
3. Ресурсы системы.. 12
3.1. Система исполнительных механизмов. 12
3.2. Система пневмоавтоматики. 12
3.3. Система электропитания и электроавтоматики. 12
3.4. Перечень информационных сигналов системы управления. 13
Технические задания на элементы, узлы установки. 14
Расчет и описание интерфейсных схем.. 17
Заключение. 22
Список литературы.. 23


Введение

Технологическое оборудование в настоящее время становится всё более автоматизированным во многих областях его применения. Поэтому при его конструировании надо тщательно изучить и продумать все возможные варианты применения систем автоматизированного управления в данной конструкции и выбрать наиболее оптимальный из этих вариантов, как по цене, так и по сложности изготовления и эксплуатации.

Одним из эффективных путей для достижения этого является применение новых технологий или сочетание таких технологий с традиционными.

Также обеспечить проектируемое оборудование более высоким сроком службы, то есть, чтобы как физическое, так и моральное устаревание его прошло как можно позже, нужно в конструкцию изделия заранее закладывать модули, которые легко было бы заменить или доработать.


*****


При изготовлении рекламных вывесок, декоративных композиций, витражей и других видов изделий применяются различные материалы. Очень хорошо смотрятся стеклянные вывески с нанесённым рисунком. Рисунок может быть получен с использованием различных технологий, таких как покраска, наклейка декоративных элементов, пескоструйная обработка.

В настоящее время рассматривается задача автоматизации получения матированного рисунка на стеклоизделии. Учитывая то, что в нашей стране данная технология только набирает обороты, соответственно мало технических наработок в автоматизации этого процесса. Поэтому стоит задача в проектирование автоматизированной установки для получения матированного рисунка на стеклоизделиях вообще и стеклоблоках в частности и разработке отдельных её узлов.


*****


На сегодняшний момент на Российском рынке широко представлены установки таких производителей как SAG (Австрия), Melzo (Италия) и некоторых других европейских производителей. Главная черта всех продаваемых видов автоматического и полуавтоматического видов оборудование – дороговизна, именно поэтому ставится задача проектирования

Особенностью современного проектирования является широкое использование готовых узлов и деталей. Ряд фирм предлагает широкий спектр компонентов для создания подобных установок, включающий в себя узлы разного класса точности, сложности и стоимости.

Характеристики курсовой работы

Список файлов

САУ установки для пескоструйной обработки стеклоизделий
Процессная модель-лист 1.cdw
Прочти меня.txt
РПЗ.doc
задание.doc
кпс-лист2.cdw
кпс-лист3.cdw
электрическая схема.cdw
Картинка-подпись
Зарабатывай на студизбе! Просто выкладывай то, что так и так делаешь для своей учёбы: ДЗ, шпаргалки, решённые задачи и всё, что тебе пригодилось.
Начать зарабатывать

Комментарии

Нет комментариев
Стань первым, кто что-нибудь напишет!
Поделитесь ссылкой:
Цена: 1 200 руб.
Расширенная гарантия +3 недели гарантии, +10% цены
Рейтинг автора
4,79 из 5
Поделитесь ссылкой:
Сопутствующие материалы

Подобрали для Вас услуги

-20%
Вы можете использовать курсовую работу для примера, а также можете ссылаться на неё в своей работе. Авторство принадлежит автору работы, поэтому запрещено копировать текст из этой работы для любой публикации, в том числе в свою курсовую работу в учебном заведении, без правильно оформленной ссылки. Читайте как правильно публиковать ссылки в своей работе.
Свежие статьи
Популярно сейчас
Зачем заказывать выполнение своего задания, если оно уже было выполнено много много раз? Его можно просто купить или даже скачать бесплатно на СтудИзбе. Найдите нужный учебный материал у нас!
Ответы на популярные вопросы
Да! Наши авторы собирают и выкладывают те работы, которые сдаются в Вашем учебном заведении ежегодно и уже проверены преподавателями.
Да! У нас любой человек может выложить любую учебную работу и зарабатывать на её продажах! Но каждый учебный материал публикуется только после тщательной проверки администрацией.
Вернём деньги! А если быть более точными, то автору даётся немного времени на исправление, а если не исправит или выйдет время, то вернём деньги в полном объёме!
Да! На равне с готовыми студенческими работами у нас продаются услуги. Цены на услуги видны сразу, то есть Вам нужно только указать параметры и сразу можно оплачивать.
Отзывы студентов
Ставлю 10/10
Все нравится, очень удобный сайт, помогает в учебе. Кроме этого, можно заработать самому, выставляя готовые учебные материалы на продажу здесь. Рейтинги и отзывы на преподавателей очень помогают сориентироваться в начале нового семестра. Спасибо за такую функцию. Ставлю максимальную оценку.
Лучшая платформа для успешной сдачи сессии
Познакомился со СтудИзбой благодаря своему другу, очень нравится интерфейс, количество доступных файлов, цена, в общем, все прекрасно. Даже сам продаю какие-то свои работы.
Студизба ван лав ❤
Очень офигенный сайт для студентов. Много полезных учебных материалов. Пользуюсь студизбой с октября 2021 года. Серьёзных нареканий нет. Хотелось бы, что бы ввели подписочную модель и сделали материалы дешевле 300 рублей в рамках подписки бесплатными.
Отличный сайт
Лично меня всё устраивает - и покупка, и продажа; и цены, и возможность предпросмотра куска файла, и обилие бесплатных файлов (в подборках по авторам, читай, ВУЗам и факультетам). Есть определённые баги, но всё решаемо, да и администраторы реагируют в течение суток.
Маленький отзыв о большом помощнике!
Студизба спасает в те моменты, когда сроки горят, а работ накопилось достаточно. Довольно удобный сайт с простой навигацией и огромным количеством материалов.
Студ. Изба как крупнейший сборник работ для студентов
Тут дофига бывает всего полезного. Печально, что бывают предметы по которым даже одного бесплатного решения нет, но это скорее вопрос к студентам. В остальном всё здорово.
Спасательный островок
Если уже не успеваешь разобраться или застрял на каком-то задание поможет тебе быстро и недорого решить твою проблему.
Всё и так отлично
Всё очень удобно. Особенно круто, что есть система бонусов и можно выводить остатки денег. Очень много качественных бесплатных файлов.
Отзыв о системе "Студизба"
Отличная платформа для распространения работ, востребованных студентами. Хорошо налаженная и качественная работа сайта, огромная база заданий и аудитория.
Отличный помощник
Отличный сайт с кучей полезных файлов, позволяющий найти много методичек / учебников / отзывов о вузах и преподователях.
Отлично помогает студентам в любой момент для решения трудных и незамедлительных задач
Хотелось бы больше конкретной информации о преподавателях. А так в принципе хороший сайт, всегда им пользуюсь и ни разу не было желания прекратить. Хороший сайт для помощи студентам, удобный и приятный интерфейс. Из недостатков можно выделить только отсутствия небольшого количества файлов.
Спасибо за шикарный сайт
Великолепный сайт на котором студент за не большие деньги может найти помощь с дз, проектами курсовыми, лабораторными, а также узнать отзывы на преподавателей и бесплатно скачать пособия.
Популярные преподаватели
Добавляйте материалы
и зарабатывайте!
Продажи идут автоматически
7183
Авторов
на СтудИзбе
250
Средний доход
с одного платного файла
Обучение Подробнее