Для студентов МГТУ им. Н.Э.Баумана по предмету Системы автоматического управления (САУ) (МТ-11)Экспериментальный стенд для исследования вакуумных вводов вращенияЭкспериментальный стенд для исследования вакуумных вводов вращения
4,78522239
2017-12-22СтудИзба

Курсовая работа: Экспериментальный стенд для исследования вакуумных вводов вращения

Описание

Этот курсовой проект сдавался в 1999-м году

РАСЧЕТНО-ПОЯСНИТЕЛЬНАЯ ЗАПИСКА

к курсовому проекту на тему:


ЭКСПЕРИМЕНТАЛЬНЫЙ СТЕНД ДЛЯ ИССЛЕДОВАНИЯ ВАКУУМНЫХ ВВОДОВ ВРАЩЕНИЯ


Содержание

Аннотация 4

1. Описание процессной модели 5

1.1 Разделение технологии на процессы 5

1.2 Описание функций экспериментального стенда. 6

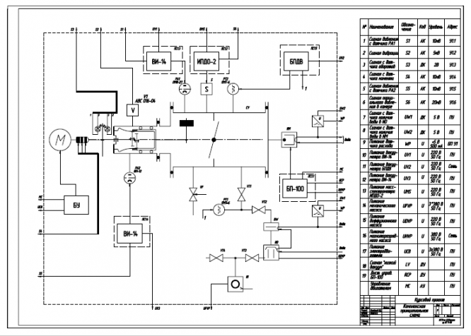
2. Описание конструкции и работы стенда 8

3. Технические задания на элементы, узлы и специальное ПО экспериментального стенда 10

4. Расчет и описание интерфейсных схем 14

4.1 Расчет требуемых коэффициентов усиления 14

4.2 Расчет источника тока 17

Список литературы 18



Аннотация

Трение является не до конца изученной областью знаний. Особенно малоизученными являются процессы трения в вакууме. Для детального изучения этих процессов необходимо проводить экспериментальные исследования явлений, сопровождающих трение, например газовыделение из трущихся пар.

Целью проекта является разработка системы автоматического управления для исследовательского стенда испытания вакуумных вводов вращения.

Исходя из требуемых технических характеристик стенда, были подробно рассмотрены процессы наладки, тарировки измерительной системы и эксплуатации стенда с точки зрения систем автоматического управления.

Для упрощения работы оператора и повышения производительности предложен вариант автоматизированного стенда вместо имеющегося стенда с ручным управлением.



  1. Описание процессной модели

    1. Разделение технологии на процессы

Процесс работы экспериментальной установки условно разделить подготовительный этап, сам эксперимент и заключительный этап, на котором производится подготовка к разгерметизации камеры.

На подготовительном этапе производится подготовка вакуумной системы, установка исследуемого ввода вращения на вакуумную камеру, выполняются все необходимые механические и электрические соединения, такие как установка датчика давления непосредственно на ввод, установка и подключение датчиков оборотов, вибрации, торсионного вала с наклеенными тензодатчиками. Также к подготовительному этапу можно отнести процесс предварительной откачки и проверки герметичности, процесс нахождения и устранения течей, высоковакуумную откачку и обезгаживание вакуумной системы, настройку и тарировку приборов.

После того как произведен предварительный этап, и давление в вакуумной камере стало ниже 10-6 торр можно приступать к основному процессу – экспериментальным исследованиям. В ходе эксперимента требуется исследовать зависимость таких параметров ввода как газовыделение из зубчатой пары, плавность работы передачи, уровня вибрации, КПД передачи в зависимости от наработки, наличия и типа покрытия зубчатого венца, режимов работы ввода. Также планируется исследовать процесс закачки газов в приповерхностный слой зон контакта. Запись исследуемых параметров производится периодически с заданным интервалом. Частота съема параметров зависит от максимальной ожидаемой частоты регистрируемых сигналов. Для обеспечения большей гибкости все временные параметры задаются программно в диалоговом режиме при подготовке к эксперименту.

После того как эксперимент по какому-либо критерию завершен, производится заключительный этап эксперимента. На этом этапе производится подготовка к разгерметизации вакуумной камеры (выключение вакуумметров, масс-спектрометра, насоса), напуск воздуха в камеру, демонтаж ввода вращения и его разборка, для исследования состояния пар трения.


  • Описание функций экспериментального стенда.

Основные функции стенда:

  • испытания вводов на герметичность и работоспособность в условиях вакуума;
  • определение КПД вакуумных вводов;
  • ресурсные испытания механизмов;
  • исследование процесса трения в вакууме;
  • вакуумная диагностика.


Сервисные функции:

  • возможность определения течей с помощью течеискателя ПТИ-10;
  • наличие автономного нагревателя для обезгаживающего прогрева вакуумной арматуры;


Характеристики курсовой работы

Список файлов

Экспериментальный стенд для исследования вакуумных вводов вращения
Листы
AcroRead
Principial.pdf
energy.pdf
Плата.pdf
процмодель.pdf
схема.pdf
Autocad
Principial.dwg
energy.dwg
Плата.dwg
процмодель.dwg
схема.dwg
Microstation
Principial.dgn
energy.dgn
Плата.dgn
процмодель.dgn
схема.dgn
Прочти меня.txt
РПЗ.doc
Картинка-подпись
Зарабатывай на студизбе! Просто выкладывай то, что так и так делаешь для своей учёбы: ДЗ, шпаргалки, решённые задачи и всё, что тебе пригодилось.
Начать зарабатывать

Комментарии

Поделитесь ссылкой:
Цена: 1 200 руб.
Расширенная гарантия +3 недели гарантии, +10% цены
Рейтинг автора
4,78 из 5
Поделитесь ссылкой:
Сопутствующие материалы

Подобрали для Вас услуги

Вы можете использовать курсовую работу для примера, а также можете ссылаться на неё в своей работе. Авторство принадлежит автору работы, поэтому запрещено копировать текст из этой работы для любой публикации, в том числе в свою курсовую работу в учебном заведении, без правильно оформленной ссылки. Читайте как правильно публиковать ссылки в своей работе.
Свежие статьи
Популярно сейчас
Зачем заказывать выполнение своего задания, если оно уже было выполнено много много раз? Его можно просто купить или даже скачать бесплатно на СтудИзбе. Найдите нужный учебный материал у нас!
Ответы на популярные вопросы
Да! Наши авторы собирают и выкладывают те работы, которые сдаются в Вашем учебном заведении ежегодно и уже проверены преподавателями.
Да! У нас любой человек может выложить любую учебную работу и зарабатывать на её продажах! Но каждый учебный материал публикуется только после тщательной проверки администрацией.
Вернём деньги! А если быть более точными, то автору даётся немного времени на исправление, а если не исправит или выйдет время, то вернём деньги в полном объёме!
Да! На равне с готовыми студенческими работами у нас продаются услуги. Цены на услуги видны сразу, то есть Вам нужно только указать параметры и сразу можно оплачивать.
Отзывы студентов
Ставлю 10/10
Все нравится, очень удобный сайт, помогает в учебе. Кроме этого, можно заработать самому, выставляя готовые учебные материалы на продажу здесь. Рейтинги и отзывы на преподавателей очень помогают сориентироваться в начале нового семестра. Спасибо за такую функцию. Ставлю максимальную оценку.
Лучшая платформа для успешной сдачи сессии
Познакомился со СтудИзбой благодаря своему другу, очень нравится интерфейс, количество доступных файлов, цена, в общем, все прекрасно. Даже сам продаю какие-то свои работы.
Студизба ван лав ❤
Очень офигенный сайт для студентов. Много полезных учебных материалов. Пользуюсь студизбой с октября 2021 года. Серьёзных нареканий нет. Хотелось бы, что бы ввели подписочную модель и сделали материалы дешевле 300 рублей в рамках подписки бесплатными.
Отличный сайт
Лично меня всё устраивает - и покупка, и продажа; и цены, и возможность предпросмотра куска файла, и обилие бесплатных файлов (в подборках по авторам, читай, ВУЗам и факультетам). Есть определённые баги, но всё решаемо, да и администраторы реагируют в течение суток.
Маленький отзыв о большом помощнике!
Студизба спасает в те моменты, когда сроки горят, а работ накопилось достаточно. Довольно удобный сайт с простой навигацией и огромным количеством материалов.
Студ. Изба как крупнейший сборник работ для студентов
Тут дофига бывает всего полезного. Печально, что бывают предметы по которым даже одного бесплатного решения нет, но это скорее вопрос к студентам. В остальном всё здорово.
Спасательный островок
Если уже не успеваешь разобраться или застрял на каком-то задание поможет тебе быстро и недорого решить твою проблему.
Всё и так отлично
Всё очень удобно. Особенно круто, что есть система бонусов и можно выводить остатки денег. Очень много качественных бесплатных файлов.
Отзыв о системе "Студизба"
Отличная платформа для распространения работ, востребованных студентами. Хорошо налаженная и качественная работа сайта, огромная база заданий и аудитория.
Отличный помощник
Отличный сайт с кучей полезных файлов, позволяющий найти много методичек / учебников / отзывов о вузах и преподователях.
Отлично помогает студентам в любой момент для решения трудных и незамедлительных задач
Хотелось бы больше конкретной информации о преподавателях. А так в принципе хороший сайт, всегда им пользуюсь и ни разу не было желания прекратить. Хороший сайт для помощи студентам, удобный и приятный интерфейс. Из недостатков можно выделить только отсутствия небольшого количества файлов.
Спасибо за шикарный сайт
Великолепный сайт на котором студент за не большие деньги может найти помощь с дз, проектами курсовыми, лабораторными, а также узнать отзывы на преподавателей и бесплатно скачать пособия.
Популярные преподаватели
Добавляйте материалы
и зарабатывайте!
Продажи идут автоматически
6706
Авторов
на СтудИзбе
288
Средний доход
с одного платного файла
Обучение Подробнее