Для студентов МГТУ им. Н.Э.Баумана по предмету ПрактикаОтчет по первой эксплуатационной практике (ПАО РКК "Энергия" - Штуцер)Отчет по первой эксплуатационной практике (ПАО РКК "Энергия" - Штуцер)
4,8858701
2023-08-172023-08-17СтудИзба
Отчёт по практике: Отчет по первой эксплуатационной практике (ПАО РКК "Энергия" - Штуцер)
Описание

Индивидуальное задание
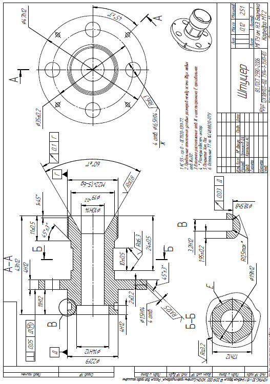
Необходимо разработать техпроцесс для изготовления детали под названием «Штуцер» из материала 12Х18Н10Т. Масса детали 0,12 кг. Габаритные размеры 47х43 мм.
Тип производства: Производство серийное.

Характеристики отчёта по практике
Предмет
Учебное заведение
Семестр
Теги
Просмотров
5
Размер
4,22 Mb
Список файлов
Отчет по первой эксплуатационной практике (ПАО РКК Энергия - Штуцер).pdf

НОВИНКА: отчеты по практикам! Поиск - по названию предприятия в тэге. База учебных материалов МГТУ им. Н.Э. Баумана в формате pdf, оригиналы файлов отсутствуют (если иное не оговорено в описании). Вопросы задавайте ДО покупки в комментариях под файлами.