Для студентов НГТУ по предмету Основы теории цепей (ОТЦ)Вариант 16 - Группа 9 - КП - Анализ гармонического процесса в отрезке радиочастотного кабеляВариант 16 - Группа 9 - КП - Анализ гармонического процесса в отрезке радиочастотного кабеля
4,96530054
2021-08-222021-08-22СтудИзба
Курсовая работа: Вариант 16 - Группа 9 - КП - Анализ гармонического процесса в отрезке радиочастотного кабеля вариант 16
Описание
Пояснительная записка к курсовой работе по курсу: Основы теории цепей
на тему: Анализ гармонического процесса в отрезке радиочастотного кабеля
Содержание
- Задание на курсовую работу
- Исходные данные
- Выбор марки радиочастотного кабеля
- Моделирование генератора, нагрузки и отрезка радиочастотного кабеля
- Расчёт распределения действующих значений напряжения и тока вдоль нагруженного отрезка
- Расчёт распределений вещественных и мнимых частей проводимости
- Расчёт значений активных мощностей
- Определение параметров элементов согласующего устройства
- Расчёт параметров элементов согласующего устройства по диаграмме сопротивлений
- Расчёт распределения действующих значений напряжения и тока вдоль отрезка линии и элементов согласующего устройства
- Построение графиков распределения вещественной и мнимой составляющих сопротивления вдоль отрезка линии и элементов согласующего устройства
- Расчёт значений активных мощностей в согласованном режиме
- Список использованной литературы
Задание на курсовую работу
- Выбрать марку радиочастотного кабеля, исходя из заданных значений параметров генератора. Критерий выбора – минимальное значение расчетной массы 1 км кабеля. Привести эскиз конструкции выбранного кабеля с указанием размеров его элементов, а также параметры и частотные характеристики.
- Подобрать модели генератора, отрезка кабеля и приемника энергии (нагрузка кабеля) и определить значение их параметров.
- Рассчитать распределения действующих значений или огибающих напряжения и тока вдоль нагруженного отрезка кабеля и построить их графики на интервале [0,l].
- Рассчитать распределения составляющих комплексного сопротивления или проводимости (в зависимости от способа последующего согласования) вдоль нагруженного отрезка кабеля и построить их графики на отрезке [0,l].
- Рассчитать распределения активной и реактивной мощностей вдоль отрезка кабеля на интервале [0,l] и построить их графики. Сравнить значения активной мощности, отдаваемой генератором, и активной мощности, потребляемой нагрузкой кабеля. Сопоставьте их со значением мощности генератора Pг.
- Рассчитать значения параметров элементов согласующего устройства.
- Найти значения параметров элементов согласующего устройства по диаграмме полных сопротивлений (проводимостей) и описать порядок их определения с соответствующими графическим построениями.
- Рассчитать распределения действующих значений напряжения и тока вдоль согласованного участка отрезка кабеля и элементов согласующего устройства и построить их графики.
- Рассчитать распределения вещественной и мнимой составляющих сопротивления (проводимости) вдоль согласованного участка отрезка кабеля и элементов согласующего устройства и построить графики.
- Рассчитать распределения активной и реактивной мощностей вдоль согласованного участка отрезка кабеля и элементов согласующего устройства и построить их графики. Сравнить значения активной мощности, отдаваемой генератором, и активной мощности, потребляемой нагрузкой кабеля. Сопоставить их со значением мощности генератора Pг.
Исходные данные
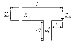
Рис. | Рг | Rг | fг | l/l | Zн |
№ | Вт | Ом | МГц | отн. ед. | Ом |
7 | 15 | 75 | 1550/9 | 0.6 | 45+j45 |
Схема согласующего устройства.
Согласование последовательным разомкнутым шлейфом
Характеристики курсовой работы
Предмет
Учебное заведение
Семестр
Вариант
Просмотров
4
Качество
Идеальное компьютерное
Размер
533,02 Kb
Список файлов
Вариант 16 - Группа 9 - КП - Анализ гармонического процесса в отрезке радиочастотного кабеля
Вариант 16 - Группа 9 - КП - Анализ гармонического процесса в отрезке радиочастотного кабеля.doc

Вам все понравилось? Получите кэшбэк - 40 рублей на Ваш счёт при покупке. Поставьте оценку и напишите положительный комментарий к купленному файлу. После Вы получите деньги на ваш счет.