Для студентов МГТУ им. Н.Э.Баумана по предмету Основы проектирования режущего инструмента (ОПРИ)Курсовая работа по ФОПР и РИ - НаконечникКурсовая работа по ФОПР и РИ - Наконечник
4,93559
2023-01-232024-09-02СтудИзба
Курсовая работа: Курсовая работа по ФОПР и РИ - Наконечник
Описание
Защищено на 5
Все чертежи в формате КОМПАС. РПЗ в Word
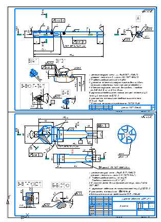
Данный курсовой проект посвящен детальному изучению построения технологии обработки, анализу параметров стандартных режущих инструментов, а также основам проектирования режущих инструментов. В работе представлена технология обработки конкретной детали. Навыки, полученные в данном проекте, являются фундаментальными (базовыми) для дальнейшего получения теоретического и практического опыта в сфере технологии и обработки.
Основными задачами, решаемыми при выполнении курсовой работы, являются:
- Разработка маршрута обработки основных поверхностей детали на основе чертежа детали и технологических требований, предъявленных к ней;
- Обоснование выбора и проектирование режущих инструментов, используемых в процессе механической обработки;
- Маршрутно-операционное описание технологического процесса с расчетом режимов резания.
Деталь изготавливается в рамках единичного производства. Начать необходимо с разработки технологического процесса, затем следует выбрать инструментальную оснастку.

Характеристики курсовой работы
Учебное заведение
Программы
Просмотров
73
Качество
Идеальное компьютерное
Размер
982,67 Kb
Список файлов
РПЗ.docx
Эскизы.cdw
лист 1.cdw
лист 2.cdw
лист 3.cdw
Комментарии
Нет комментариев
Стань первым, кто что-нибудь напишет!
МГТУ им. Н.Э.Баумана
Study_Russia














