Для студентов МГТУ им. Н.Э.Баумана по предмету Начертательная геометрия5 Задач5 Задач
4,92522875
2020-08-312025-06-10СтудИзба
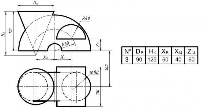
ДЗ: 5 Задач вариант 3
-50%
Описание
Нужна только одна задача из всех? - Нажимай на ссылку
- Задача 1. Построить проекции равностороннего треугольника АВС со стороной ВС на прямой MN. Определить углы наклона высоты и плоскости треугольника к плоскостям проекций.
- Задача 2. Построить проекции пирамиды SABC при условии, что её высота равна 80 мм, а вершина S принадлежит прямой ЕР. Решить без преобразования чертежа.
- Задача 3. Дана пирамида SABC. Определить, применяя способы преобразования чертежа:
2. Угол между гранью SAB и основанием АВС;
З. Истинный вид основания АВС;
4. Угол между ребром SA и основанием АВС.
Указание. При решении задач 1 и 2 применить способ замены плоскостей проекций; при решении задач З и 4 применить способ вращения вокруг прямой уровня.

2. Построить проекции касательной плоскости и нормали к поверхности в одной из точек пересечения.

Характеристики домашнего задания
Предмет
Учебное заведение
Семестр
Вариант
Просмотров
91
Качество
Фото рукописных листов
Размер
4,37 Mb
Список файлов
1.jpg
1-1.jpg
1-2.jpg
2.jpg
2-1.jpg
3.jpg
4.jpg
5.jpg

Вам все понравилось? Получите кэшбэк - 40 рублей на Ваш счёт при покупке. Поставьте оценку и напишите положительный комментарий к купленному файлу. После Вы получите деньги на ваш счет.