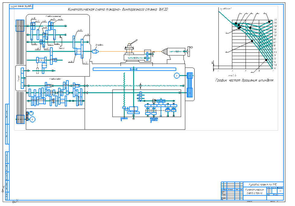
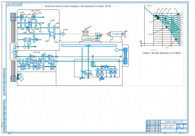
Для студентов МГТУ им. Н.Э.Баумана по предмету Металлорежущее оборудованиеТокарно-винторезный станок 16к20Токарно-винторезный станок 16к20
4,9951114
2023-09-272023-09-27СтудИзба
Курсовая работа: Токарно-винторезный станок 16к20
Описание
Характеристики курсовой работы
Предмет
Учебное заведение
Программы
Просмотров
23
Качество
Идеальное компьютерное
Размер
1,74 Mb
Список файлов
ПЗ
пояснительная записка.doc
Чертежи
развертка.cdw
развертка.cdw.bak
свертка.cdw
свертка.cdw.bak
сетки.cdw
сетки.cdw.bak
станок.cdw
станок.cdw.bak

Спасибо за покупку! Я буду очень рад, если поставишь справедливую оценку купленному файлу