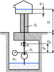
Для студентов по предмету Механика жидкости и газа (МЖГ или Гидравлика)Вода с вязкостью ν = 0,02 Ст нагнетается насосом из колодца в водонапорную башню по вертикальному трубопроводу. Определить диаметр трубы от крана К доВода с вязкостью ν = 0,02 Ст нагнетается насосом из колодца в водонапорную башню по вертикальному трубопроводу. Определить диаметр трубы от крана К до
5,0051
2022-08-152024-09-20СтудИзба
Вода с вязкостью ν = 0,02 Ст нагнетается насосом из колодца в водонапорную башню по вертикальному трубопроводу. Определить диаметр трубы от крана К до бака d2, если высота башни H = 10 м; глубина погружения насоса H0 = 5 м; высота уровня жидкости в б
Описание
Вода с вязкостью ν = 0,02 Ст нагнетается насосом из колодца в водонапорную башню по вертикальному трубопроводу. Определить диаметр трубы от крана К до бака d2, если высота башни H = 10 м; глубина погружения насоса H0 = 5 м; высота уровня жидкости в баке h = 1 м; длина участка трубопровода от насоса до крана h0 = 3 м; его диаметр d1 = 40 мм; коэффициент сопротивления крана ξк = 3 (отнесен к диаметру d1); показание манометра pм = 0,3 мПа; подача насоса Q = 1,5 л/с. Учесть потерю скоростного напора при входе в бак. Трубы считать гидравлически гладкими.
![]()

Характеристики решённой задачи
Номер задания
Вариант
Теги
Просмотров
18
Качество
Идеальное компьютерное
Размер
138,29 Kb
Список файлов
4.13.pdf
