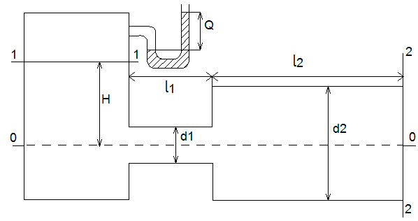
Для студентов по предмету Механика жидкости и газа (МЖГ или Гидравлика)Из резервуара вытекает вода по трубопроводу переменного сечения, размеры которого l1=10 м , l2=50 м , d1=7,5 см, d2=10 см, H=2,0 м. Определить показанИз резервуара вытекает вода по трубопроводу переменного сечения, размеры которого l1=10 м , l2=50 м , d1=7,5 см, d2=10 см, H=2,0 м. Определить показан
5,00518088
2022-06-062022-06-06СтудИзба
Из резервуара вытекает вода по трубопроводу переменного сечения, размеры которого l1=10 м , l2=50 м , d1=7,5 см, d2=10 см, H=2,0 м. Определить показания ртутного манометра при известном расходе Q=10 л/с.
Описание
Из резервуара вытекает вода по трубопроводу переменного сечения, размеры которого l1=10 м , l2=50 м , d1=7,5 см, d2=10 см, H=2,0 м. Определить показания ртутного манометра при известном расходе Q=10 л/с.
Характеристики решённой задачи
Программы
Просмотров
2
Качество
Идеальное компьютерное
Размер
92,85 Kb
Список файлов
Задача.docx
