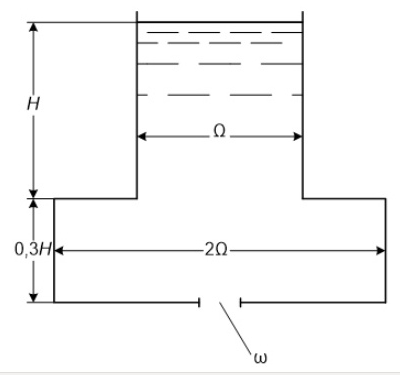
Для студентов по предмету Механика жидкости и газа (МЖГ или Гидравлика)Для заданной схемы (рис. 1) определить время полного опорожнения ре-зервуаров. Ω=4,5м2, ω=26см2, Н=1,2м.Для заданной схемы (рис. 1) определить время полного опорожнения ре-зервуаров. Ω=4,5м2, ω=26см2, Н=1,2м.
5,00518133
2021-11-072021-11-07СтудИзба
Задача: Для заданной схемы (рис. 1) определить время полного опорожнения ре-зервуаров. Ω=4,5м2, ω=26см2, Н=1,2м.
Описание
Для заданной схемы (рис. 1) определить время полного опорожнения резервуаров.
Ω=4,5м2, ω=26см2, Н=1,2м.
Характеристики решённой задачи
Просмотров
1
Качество
Идеальное компьютерное
Размер
63,49 Kb
Список файлов
