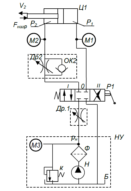
Для студентов МГТУ им. Н.Э.Баумана по предмету Механика жидкости и газа (МЖГ или Гидравлика)Испытание объемного гидропривода с дроссельным управлением с дросселем, установленным на входе гидродвигателяИспытание объемного гидропривода с дроссельным управлением с дросселем, установленным на входе гидродвигателя
4,5358
2021-09-082021-09-08СтудИзба
Лабораторная работа 5: Испытание объемного гидропривода с дроссельным управлением с дросселем, установленным на входе гидродвигателя
Описание
Лабораторная работа №5 "Испытание объемного гидропривода с дроссельным управлением с дросселем, установленным на входе гидродвигателя".
Оформленный отчет с таблицами и графиками. Поток СМ10, СМ9. Сдано Яроцу В.В. в 2020 году.
![]()
Оформленный отчет с таблицами и графиками. Поток СМ10, СМ9. Сдано Яроцу В.В. в 2020 году.

Характеристики лабораторной работы
Учебное заведение
Номер задания
Просмотров
76
Качество
Идеальное компьютерное
Размер
187,41 Kb
Список файлов
ЛР5.docx
ЛР5.xlsx
Комментарии
Нет комментариев
Стань первым, кто что-нибудь напишет!
МГТУ им. Н.Э.Баумана


















