Для студентов МГТУ им. Н.Э.Баумана по предмету Компьютерная графикаAutodesk Inventor. Лабораторные работы. Детали. (Базовый курс)Autodesk Inventor. Лабораторные работы. Детали. (Базовый курс)
5,0051
2022-04-212024-10-02СтудИзба
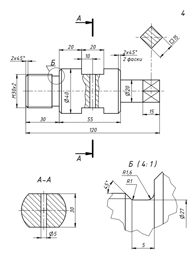
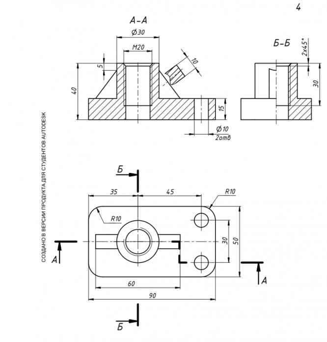
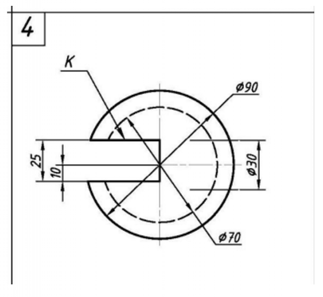
Лабораторная работа: Autodesk Inventor. Лабораторные работы. Детали. (Базовый курс) вариант 4
Описание
Характеристики лабораторной работы
Предмет
Учебное заведение
Вариант
Программы
Просмотров
55
Качество
Идеальное компьютерное
Размер
1,57 Mb
Список файлов
инжа 5 дз.pptx

Котики подняли настроение тебе, а поставив 5 звёзд на купленный файл, ты поднимешь его мне. Спасибо!