Для студентов МГТУ им. Н.Э.Баумана по предмету Компьютерная графикаAutodesk Inventor. Лабораторные работы. Детали. (Базовый курс)Autodesk Inventor. Лабораторные работы. Детали. (Базовый курс)
4,9451631
2021-06-022021-06-02СтудИзба
Лабораторная работа: Autodesk Inventor. Лабораторные работы. Детали. (Базовый курс) вариант 4
Описание
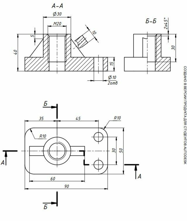
В файле проверенный преподавателем комплект лабораторных работ для 4 варианта. Выполнены в инвенторе 19 года . К каждой работе идет комплект - модель .ipt и чертеж .dwg.
![]()

Характеристики лабораторной работы
Предмет
Учебное заведение
Вариант
Просмотров
12
Размер
2,14 Mb
Список файлов
Деталь1.ipt
Деталь2.idw
Деталь2.ipt
Деталь3.idw
Деталь3.ipt
Деталь4.idw
Деталь4.ipt
Деталь5.idw
Деталь5.ipt
МГТУ им. Н.Э.Баумана



















