Для студентов МГТУ им. Н.Э.Баумана по предмету Компьютерная графикаAutodesk Inventor. Лабораторные работы. Детали. (Базовый курс)Autodesk Inventor. Лабораторные работы. Детали. (Базовый курс)
2020-05-222024-10-13СтудИзба
Лабораторная работа: Autodesk Inventor. Лабораторные работы. Детали. (Базовый курс) вариант 1
Описание
Характеристики лабораторной работы
Предмет
Учебное заведение
Вариант
Просмотров
177
Размер
11,95 Mb
Список файлов
инжа
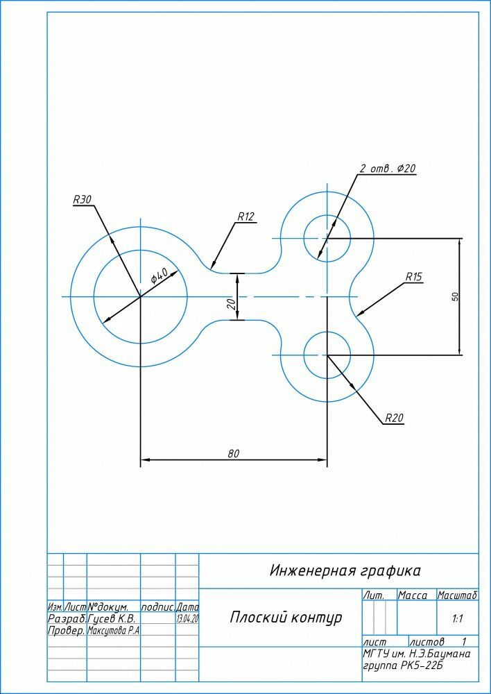
Плоский контур
плоскийконтур.dwg
детали (1-5)
OldVersions
Вал.0001.idw
Вал.0026.ipt
Основание.0013.idw
Пирамида.0002.ipt
Вал.idw
Вал.ipt
Основание.idw
Основанме.ipt
Пирамида.idw
Пирамида.ipt
Призма.idw
Призма.ipt
Шар.idw
Шар.ipt
детали с OPEN DU
ДЗ №1.idw
Дз №1.ipt
Дз №2.idw
Дз №2.ipt
портфолио (дистанционка)
сборка
Сборка.iam
Сборка.idw
Комментарии
Нет комментариев
Стань первым, кто что-нибудь напишет!
МГТУ им. Н.Э.Баумана
vk_50721790


















