Для студентов ИДДО НИУ «МЭИ» по предмету Элементы пневмоавтоматикиКМ-5. Системы управления пневмоприводами. Алгебра логики в пневмосистемахКМ-5. Системы управления пневмоприводами. Алгебра логики в пневмосистемах
5,00516
2024-12-302024-12-30СтудИзба
🔫Ответы на КМ-5. Системы управления пневмоприводами. Алгебра логики в пневмосистемах🔫
Ответы к экзамену КМ-5: КМ-5. Системы управления пневмоприводами. Алгебра логики в пневмосистемах
Описание
База ответов КМ-5. Системы управления пневмоприводами. Алгебра логики в пневмосистемах.
Список вопросов
На рисунке приведена часть принципиальной пневматической схемы. Она отражает принцип действия логической операции:
![]()

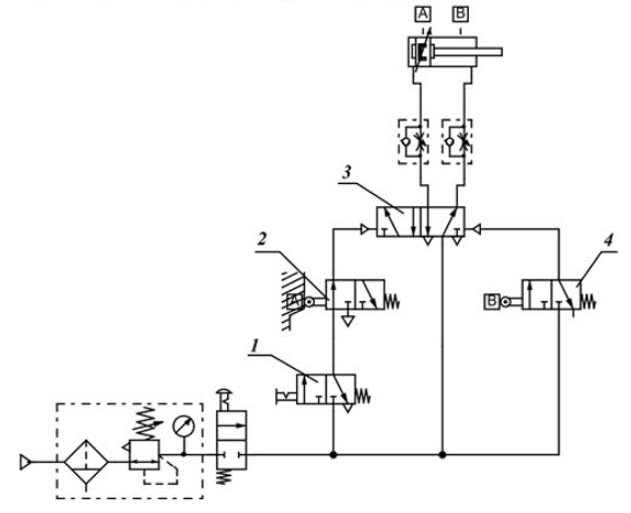
На рисунке представлена:
![]()

Как выглядит пневмосхема, реализующая задержку включения?
Что произойдет после нажатия на кнопку под цифрой 1?
![]()

Как выглядит аналитическая запись операции «Стрелка Пирса»?
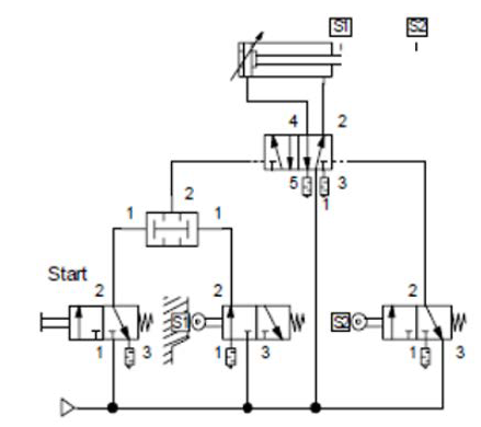
Можно ли использовать представленную пневматическую схему для совмещения управлений от оператора и от системы управления в процессе работы механизма?
![]()

Как выглядит аналитическая запись операции отрицания?
Как организовать логическую операцию «И» на пневматической схеме при помощи двух пневматических распределителей?
Что называется циклом?
Шток должен выдвигаться, если отсутствует аварийный сигнал х или же есть сигнал у, например, от ручного управления. Как называется описанная операция?
Функции операторов не могут выполнять устройства низкого давления?
Как выглядит аналитическая запись операции импликации?
Централизованные системы управления строятся на базе:
Шток должен выдвигаться, если поступит управляющий сигнал на распределитель и при этом будет опущено заграждение. Как называется описанная операция?
Как выглядит аналитическая запись операции логического умножения?
Какой недостаток систем управления по времени и по давлению?
При отсутствии сигнала управлениях шток должен выдвигаться, поэтому нужен инверсный сигнал. Как называется описанная операция?
Как выглядит аналитическая запись операции «Штрих Шеффера»?
Условное обозначение (на принципиальной схеме) какого элемента пневмо/электропневмосистемы изображено на рисунке:
![]()

Существует ли распределительный закон в алгебре логике?
Эти вопросы в других коллекциях
Характеристики ответов (шпаргалок) к экзамену
Тип
Коллекция: Ответы (шпаргалки) к экзамену
Предмет
Учебное заведение
Номер задания
Теги
Просмотров
15
Качество
Идеальное компьютерное
Количество вопросов





















