Для студентов МГТУ им. Н.Э.Баумана по предмету Инженерная графика4 Задачи4 Задачи
4,96529613
2019-06-092024-10-02СтудИзба
ДЗ: 4 Задачи вариант 10
-51%
Описание
3D-модели и чертежи
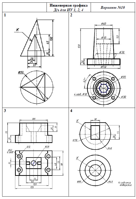
Образец прикреплен в "Файлах условия, демо" ![]()

Файлы условия, демо
Характеристики домашнего задания
Предмет
Учебное заведение
Семестр
Вариант
Программы
Просмотров
258
Качество
Идеальное компьютерное
Размер
2,03 Mb
Список файлов
Вариант (10)
1 Деталь Чертеж.PDF
1 Деталь Чертеж.SLDDRW
1 Деталь.PDF
1 Деталь.SLDPRT
2 Деталь Чертеж.PDF
2 Деталь Чертеж.SLDDRW
2 Деталь.PDF
2 Деталь.SLDPRT
3 Деталь Чертеж.PDF
3 Деталь Чертеж.SLDDRW
3 Деталь.PDF
3 Деталь.SLDPRT
4 Деталь Чертеж.PDF
4 Деталь Чертеж.SLDDRW
4 Деталь.PDF
4 Деталь.SLDPRT
Задание (10).jpg
Инструкция.pdf

Вам все понравилось? Получите кэшбэк - 40 рублей на Ваш счёт при покупке. Поставьте оценку и напишите положительный комментарий к купленному файлу. После Вы получите деньги на ваш счет.