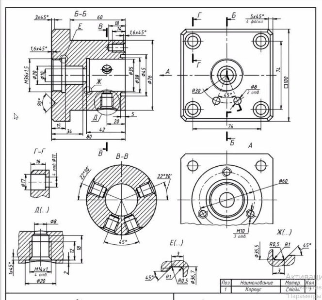
Для студентов МГТУ им. Н.Э.Баумана по предмету Инженерная графикаРК№3 (деталь+чертеж) инвентор 2019РК№3 (деталь+чертеж) инвентор 2019
4,715148
2020-12-212020-12-21СтудИзба
Ответы к контрольной работе: РК№3 (деталь+чертеж) инвентор 2019
Описание
Характеристики ответов (шпаргалок) к КР
Предмет
Учебное заведение
Семестр
Просмотров
230
Размер
1,06 Mb
Список файлов
РК3
РК3.dwg
РК3.ipt
Комментарии
Нет комментариев
Стань первым, кто что-нибудь напишет!

МГТУ им. Н.Э.Баумана


















