Для студентов РГАУ — МСХА им. К. А. Тимирязева по предмету ГИПСТИТТМИОРабочий объем насоса изменяется от V01н до V02н. Рабочий объем гидромотора равен VОГМ. При вращении вала насоса с постоянной частотой n определить преРабочий объем насоса изменяется от V01н до V02н. Рабочий объем гидромотора равен VОГМ. При вращении вала насоса с постоянной частотой n определить пре
5,0056
2019-06-032024-07-09СтудИзба
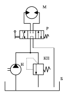
Рабочий объем насоса изменяется от V01н до V02н. Рабочий объем гидромотора равен VОГМ. При вращении вала насоса с постоянной частотой n определить пределы регулирования частоты вращения выходного вала гидромотора. Утечки масла в гидроаппаратуре сост
Описание
Рабочий объем насоса изменяется от V01н до V02н. Рабочий объем гидромотора равен VОГМ.
При вращении вала насоса с постоянной частотой n определить пределы регулирования частоты вращения выходного вала гидромотора. Утечки масла в гидроаппаратуре составляют ΔQут. Объемный КПД гидромотора ηобм=0,98, и насоса ηобн=0,96.
Дано: Vо1н=23 см3; Vо2н=100 см3; n=290 об/мин; VОГМ=100 см3; ΔQут=0,14 л/мин.

Характеристики решённой задачи
Предмет
Учебное заведение
Номер задания
Программы
Просмотров
131
Качество
Идеальное компьютерное
Размер
34,71 Kb
Список файлов
Задача .docx
