Главная » Учебные материалы » Физика » Решения задач » Несколько классов/семестров » Напряжение на зажимах элемента в замкнутой цепи
Для студентов по предмету ФизикаНапряжение на зажимах элемента в замкнутой цепиНапряжение на зажимах элемента в замкнутой цепи
5,0053463
2025-08-05СтудИзба

Задача: Напряжение на зажимах элемента в замкнутой цепи

Описание

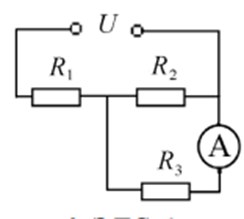
Напряжение на зажимах элемента в замкнутой цепи U = 2,1 В, сопротивления R1 = 5 Ом, R2 = 6 Ом и R3 = 3 Ом (рисунок). Какой ток I показывает амперметр?

Характеристики решённой задачи

Предмет
Просмотров
1
Качество
Идеальное компьютерное
Размер
50 Kb

Список файлов

image (12).png
Картинка-подпись
Если нужен другой вариант работы или отдельная задача из любой работы, пишите в комментарии

Комментарии

Поделитесь ссылкой:
Цена: 79 руб.
Расширенная гарантия +3 недели гарантии, +10% цены
Рейтинг автора
5 из 5
Поделитесь ссылкой:
Сопутствующие материалы
7.7. Цилиндрический сосуд диаметром d = 0,8 м, имеющий плоскую крышку и полусферическое дно, заполнен водой до
5.61. Определить растягивающее Pраст и срезающее Pсрез усилия, действующие на болты фланца A конического
Аппарат цилиндрической формы диаметром 1 м и высотой 2 м с шероховатой поверхностью находится в помещении,
7.3. Призматический сосуд длинной 3l = 3 м и шириной c = 1 м, перемещающийся горизонтально с постоянным ускорением
На рис. 1. показаны точки, расположенные в узлах решетки с ячейкой в форме квадрата со стороной a=0,1 м. В некоторых узлах решетки расположены точечные заряды Q1…Q9, величины которых с размерностью нКл (1 нКл=10-9 нКл) указаны в таблице. Определить н
Измерены три последовательных амплитуды затухающих колебаний пружинного маятника 8.6, -4.1, 4.3 мм. Каково среднее положение осциллятора и логарифмический декремент затухания колебаний λ?

Подобрали для Вас услуги

Вы можете использовать решённую задачу для примера, а также можете ссылаться на неё в своей работе. Авторство принадлежит автору работы, поэтому запрещено копировать текст из этой работы для любой публикации, в том числе в свою задачу в учебном заведении, без правильно оформленной ссылки. Читайте как правильно публиковать ссылки в своей работе.
Свежие статьи
Популярно сейчас
Зачем заказывать выполнение своего задания, если оно уже было выполнено много много раз? Его можно просто купить или даже скачать бесплатно на СтудИзбе. Найдите нужный учебный материал у нас!
Ответы на популярные вопросы
Да! Наши авторы собирают и выкладывают те работы, которые сдаются в Вашем учебном заведении ежегодно и уже проверены преподавателями.
Да! У нас любой человек может выложить любую учебную работу и зарабатывать на её продажах! Но каждый учебный материал публикуется только после тщательной проверки администрацией.
Вернём деньги! А если быть более точными, то автору даётся немного времени на исправление, а если не исправит или выйдет время, то вернём деньги в полном объёме!
Да! На равне с готовыми студенческими работами у нас продаются услуги. Цены на услуги видны сразу, то есть Вам нужно только указать параметры и сразу можно оплачивать.
Отзывы студентов
Ставлю 10/10
Все нравится, очень удобный сайт, помогает в учебе. Кроме этого, можно заработать самому, выставляя готовые учебные материалы на продажу здесь. Рейтинги и отзывы на преподавателей очень помогают сориентироваться в начале нового семестра. Спасибо за такую функцию. Ставлю максимальную оценку.
Лучшая платформа для успешной сдачи сессии
Познакомился со СтудИзбой благодаря своему другу, очень нравится интерфейс, количество доступных файлов, цена, в общем, все прекрасно. Даже сам продаю какие-то свои работы.
Студизба ван лав ❤
Очень офигенный сайт для студентов. Много полезных учебных материалов. Пользуюсь студизбой с октября 2021 года. Серьёзных нареканий нет. Хотелось бы, что бы ввели подписочную модель и сделали материалы дешевле 300 рублей в рамках подписки бесплатными.
Отличный сайт
Лично меня всё устраивает - и покупка, и продажа; и цены, и возможность предпросмотра куска файла, и обилие бесплатных файлов (в подборках по авторам, читай, ВУЗам и факультетам). Есть определённые баги, но всё решаемо, да и администраторы реагируют в течение суток.
Маленький отзыв о большом помощнике!
Студизба спасает в те моменты, когда сроки горят, а работ накопилось достаточно. Довольно удобный сайт с простой навигацией и огромным количеством материалов.
Студ. Изба как крупнейший сборник работ для студентов
Тут дофига бывает всего полезного. Печально, что бывают предметы по которым даже одного бесплатного решения нет, но это скорее вопрос к студентам. В остальном всё здорово.
Спасательный островок
Если уже не успеваешь разобраться или застрял на каком-то задание поможет тебе быстро и недорого решить твою проблему.
Всё и так отлично
Всё очень удобно. Особенно круто, что есть система бонусов и можно выводить остатки денег. Очень много качественных бесплатных файлов.
Отзыв о системе "Студизба"
Отличная платформа для распространения работ, востребованных студентами. Хорошо налаженная и качественная работа сайта, огромная база заданий и аудитория.
Отличный помощник
Отличный сайт с кучей полезных файлов, позволяющий найти много методичек / учебников / отзывов о вузах и преподователях.
Отлично помогает студентам в любой момент для решения трудных и незамедлительных задач
Хотелось бы больше конкретной информации о преподавателях. А так в принципе хороший сайт, всегда им пользуюсь и ни разу не было желания прекратить. Хороший сайт для помощи студентам, удобный и приятный интерфейс. Из недостатков можно выделить только отсутствия небольшого количества файлов.
Спасибо за шикарный сайт
Великолепный сайт на котором студент за не большие деньги может найти помощь с дз, проектами курсовыми, лабораторными, а также узнать отзывы на преподавателей и бесплатно скачать пособия.
Популярные преподаватели
Добавляйте материалы
и зарабатывайте!
Продажи идут автоматически
6785
Авторов
на СтудИзбе
279
Средний доход
с одного платного файла
Обучение Подробнее