Главная » Учебные материалы » Электротехника (ЭлТех) » Решения задач » Несколько классов/семестров » Задана электрическая схема (рис. 2.2). Исходные данные для схемы приведены в таблице 2. Входное напряжение u(t) равное ЭДС e(t) изменяется по синусоидальному закону u = Um sin(ωt+). Требуется: 1.С помощью символического метода расчёта найти компл
Для студентов по предмету Электротехника (ЭлТех)Задана электрическая схема (рис. 2.2). Исходные данные для схемы приведены в таблице 2. Входное напряжение u(t) равное ЭДС e(t) изменяется по синусоидЗадана электрическая схема (рис. 2.2). Исходные данные для схемы приведены в таблице 2. Входное напряжение u(t) равное ЭДС e(t) изменяется по синусоид
5,00518955
2021-11-22СтудИзба

Задана электрическая схема (рис. 2.2). Исходные данные для схемы приведены в таблице 2. Входное напряжение u(t) равное ЭДС e(t) изменяется по синусоидальному закону u = Um sin(ωt+). Требуется: 1.С помощью символического метода расчёта найти компл

Описание

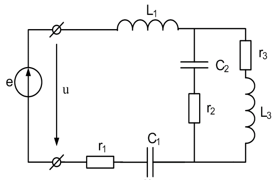
Задана электрическая схема (рис. 2.2). Исходные данные для схемы приведены в таблице 2. Входное напряжение u(t) равное ЭДС e(t) изменяется по синусоидальному закону u = Um sint+j).

Требуется:

  1. С помощью символического метода расчёта найти комплексы действующих значений токов в ветвях схемы.
  2. Построить топографическую диаграмму, совмещённую с векторной диаграммой токов.
  3. Написать закон изменения мгновенного значения тока первой ветви и нарисовать график его изменения за время равное одному периоду.

Рисунок 2.1

Исходные данные:

№ варианта

№ варианта схемы рис.2

r1

r2

r3

L1

L2

L3

С1

С2

f

Um

j

-

-

Ом

Ом

Ом

Гн

Гн

Гн

мкФ

мкФ

Гц

В

Град.

6

6

15

10

8

0,06

0,08

0,1

60

30

50

220

-40

Характеристики решённой задачи

Программы
Просмотров
6
Качество
Идеальное компьютерное
Размер
273,59 Kb

Список файлов

Картинка-подпись

Комментарии

Нет комментариев
Стань первым, кто что-нибудь напишет!
Поделитесь ссылкой:
Цена: 100 руб.
Расширенная гарантия +3 недели гарантии, +10% цены
Рейтинг автора
5 из 5
Поделитесь ссылкой:
Сопутствующие материалы
Для цепи с линейным напряжением Uл=660 В симметричного источника, сопротивлением фаз приемника
Расчет линейных электрических цепей с синусоидальным источником ЭДС
Контрольная работа
Найти ток в цепи i(t), пользуясь классическим методом расчета переходного процесса
Электромашины постоянного тока (рис. 1.57), работающие в режиме генератора, включены параллельно и работают на сеть с нагрузкой Rн=0,1 Ом. Один генератор развивает ЭДС Е1=20 В и имеет внутреннее сопротивление R01=0,01 Ом, второй генератор – ЭДС Е2=22
Определить, при каком сопротивлении нагрузочного резистора Rн, и токе нагрузки I1 аккумуляторной батареи, включенной в электрическую цепь рис. 1.58, а, батарея начнет разряжаться, если ее ЭДС Е1=8 В? ЭДС источника питания Е2=10 В, его внутреннее сопр

Подобрали для Вас услуги

-30%
Вы можете использовать решённую задачу для примера, а также можете ссылаться на неё в своей работе. Авторство принадлежит автору работы, поэтому запрещено копировать текст из этой работы для любой публикации, в том числе в свою задачу в учебном заведении, без правильно оформленной ссылки. Читайте как правильно публиковать ссылки в своей работе.
Свежие статьи
Популярно сейчас
Как Вы думаете, сколько людей до Вас делали точно такое же задание? 99% студентов выполняют точно такие же задания, как и их предшественники год назад. Найдите нужный учебный материал на СтудИзбе!
Ответы на популярные вопросы
Да! Наши авторы собирают и выкладывают те работы, которые сдаются в Вашем учебном заведении ежегодно и уже проверены преподавателями.
Да! У нас любой человек может выложить любую учебную работу и зарабатывать на её продажах! Но каждый учебный материал публикуется только после тщательной проверки администрацией.
Вернём деньги! А если быть более точными, то автору даётся немного времени на исправление, а если не исправит или выйдет время, то вернём деньги в полном объёме!
Да! На равне с готовыми студенческими работами у нас продаются услуги. Цены на услуги видны сразу, то есть Вам нужно только указать параметры и сразу можно оплачивать.
Отзывы студентов
Ставлю 10/10
Все нравится, очень удобный сайт, помогает в учебе. Кроме этого, можно заработать самому, выставляя готовые учебные материалы на продажу здесь. Рейтинги и отзывы на преподавателей очень помогают сориентироваться в начале нового семестра. Спасибо за такую функцию. Ставлю максимальную оценку.
Лучшая платформа для успешной сдачи сессии
Познакомился со СтудИзбой благодаря своему другу, очень нравится интерфейс, количество доступных файлов, цена, в общем, все прекрасно. Даже сам продаю какие-то свои работы.
Студизба ван лав ❤
Очень офигенный сайт для студентов. Много полезных учебных материалов. Пользуюсь студизбой с октября 2021 года. Серьёзных нареканий нет. Хотелось бы, что бы ввели подписочную модель и сделали материалы дешевле 300 рублей в рамках подписки бесплатными.
Отличный сайт
Лично меня всё устраивает - и покупка, и продажа; и цены, и возможность предпросмотра куска файла, и обилие бесплатных файлов (в подборках по авторам, читай, ВУЗам и факультетам). Есть определённые баги, но всё решаемо, да и администраторы реагируют в течение суток.
Маленький отзыв о большом помощнике!
Студизба спасает в те моменты, когда сроки горят, а работ накопилось достаточно. Довольно удобный сайт с простой навигацией и огромным количеством материалов.
Студ. Изба как крупнейший сборник работ для студентов
Тут дофига бывает всего полезного. Печально, что бывают предметы по которым даже одного бесплатного решения нет, но это скорее вопрос к студентам. В остальном всё здорово.
Спасательный островок
Если уже не успеваешь разобраться или застрял на каком-то задание поможет тебе быстро и недорого решить твою проблему.
Всё и так отлично
Всё очень удобно. Особенно круто, что есть система бонусов и можно выводить остатки денег. Очень много качественных бесплатных файлов.
Отзыв о системе "Студизба"
Отличная платформа для распространения работ, востребованных студентами. Хорошо налаженная и качественная работа сайта, огромная база заданий и аудитория.
Отличный помощник
Отличный сайт с кучей полезных файлов, позволяющий найти много методичек / учебников / отзывов о вузах и преподователях.
Отлично помогает студентам в любой момент для решения трудных и незамедлительных задач
Хотелось бы больше конкретной информации о преподавателях. А так в принципе хороший сайт, всегда им пользуюсь и ни разу не было желания прекратить. Хороший сайт для помощи студентам, удобный и приятный интерфейс. Из недостатков можно выделить только отсутствия небольшого количества файлов.
Спасибо за шикарный сайт
Великолепный сайт на котором студент за не большие деньги может найти помощь с дз, проектами курсовыми, лабораторными, а также узнать отзывы на преподавателей и бесплатно скачать пособия.
Популярные преподаватели
Добавляйте материалы
и зарабатывайте!
Продажи идут автоматически
6963
Авторов
на СтудИзбе
264
Средний доход
с одного платного файла
Обучение Подробнее
{user_main_secret_data}