Для студентов по предмету Электротехника (ЭлТех)Решённая задача 1.95Решённая задача 1.95
5,0051
2018-12-122018-12-12СтудИзба
Задача: Решённая задача 1.95
Описание
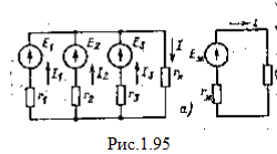
1-95.Р. Электрическая цепь рис. 1.95, а имеет следующие параметры: E1 =40 В, E2 = 80 В, E3 = 24 В, r'1 = r01 + r1 = 20 Ом, r'2 = r02 + r2 = 5 0м, r'3 = r03 + r3 = 12 Ом, rн =7 Ом. Определить параметры эквивалентной цепи (рис. 1.95,6) Eэк и rэк , а также токи I, I1, I2. Какой из ответов неправильный.
1. Eэк = 60 В. 2. Rэк = 3 Oм. 3. I = 5 A. 4. I1 = -0,1 A. 5. I2 = 7,6 A.
![]()
1. Eэк = 60 В. 2. Rэк = 3 Oм. 3. I = 5 A. 4. I1 = -0,1 A. 5. I2 = 7,6 A.

Характеристики решённой задачи
Предмет
Просмотров
190
Качество
Идеальное компьютерное
Размер
30,63 Kb
Список файлов
1.95.docx

Зарабатывай на студизбе! Просто выкладывай то, что так и так делаешь для своей учёбы: ДЗ, шпаргалки, решённые задачи и всё, что тебе пригодилось.
Начать зарабатывать
Начать зарабатывать