Для студентов МГТУ им. Н.Э.Баумана по предмету Электротехника (ЭлТех)Исследование трехфазной цепиИсследование трехфазной цепи
5,00565
2025-01-062025-04-03СтудИзба
Лабораторная работа 4: Исследование трехфазной цепи
Описание
Отчет о работе №4
Исследование трехфазной цепи
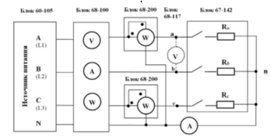
СХЕМА СОЕДИНЕНИЙ
Рис. 1 Схемы исследуемых трехфазных цепей при соединении электроприемников звездой (четырехпроводная сеть)
Рис. 2 Схемы исследуемых трехфазных цепей при соединении электроприемников треугольником
Замечания преподавателя
Табл. 1. Результаты расчетов трехфазной цепи при соединении электроприемников звездой
Исследование трехфазной цепи
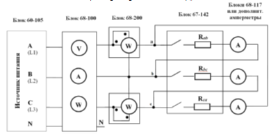
СХЕМА СОЕДИНЕНИЙ

Рис. 1 Схемы исследуемых трехфазных цепей при соединении электроприемников звездой (четырехпроводная сеть)

Замечания преподавателя
- Расчетное исследование трехфазной цепи при соединении электроприемников звездой
Табл. 1. Результаты расчетов трехфазной цепи при соединении электроприемников звездой
Исходные данные: Uл = 220 B; Ra = 40 Ом; Rb = 63 Ом; Rc = 30 Ом | |||||||||
Схема соединений | Расчетные величины | ||||||||
Напряжения, В | Точки, А | ||||||||
Ua | Ub | Uc | UnN | Ia | Ib | Ic | IN | ||
Y- | 127,00 | 127,00 | 127,00 | - | 3,18 | 2,02 | 4,23 | 1,92 | |
Y | 127,00 | 126,76 | 126,76 | 19,52 | 3,18 | 2,02 | 4,23 | - | |
| | | | | | | | | |
Характеристики лабораторной работы
Предмет
Учебное заведение
Номер задания
Просмотров
6
Размер
204,11 Kb
Список файлов
ЛР_4.docx