Для студентов МГТУ им. Н.Э.Баумана по предмету Электротехника (ЭлТех)Исследование трехфазной цепиИсследование трехфазной цепи
5,00574
2025-01-062025-04-03СтудИзба
Лабораторная работа 4: Исследование трехфазной цепи
Описание
Отчет о работе
Исследование трехфазной цепи
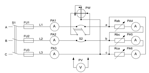
Схемы соединений
Схема 2. Трехфазная цепь при соединении электроприемников треугольником
Замечания преподавателя:
Таблица 1. Результаты расчетов трехфазной цепи
Исследование трехфазной цепи
Схемы соединений
Схема 2. Трехфазная цепь при соединении электроприемников треугольником
Замечания преподавателя:
- Расчетное исследование трехфазной цепи при соединении электроприемников звездой
Таблица 1. Результаты расчетов трехфазной цепи
| Исходные данные: Uл = 220 B; Ra = 38 Ом; Rb = 63 Ом; Rc = 38 Ом | ||||||||
| Схема соединений | Расчетные величины | |||||||
| Напряжения, В | Точки, А | |||||||
| Ua | Ub | Uc | UnN | Ia | Ib | Ic | IN | |
| 127 | 126,76 | 126,76 | 19,52 | 3,34 | 2,01 | 3,34 | 1,33 | |
| Y | 127,00 | 127,00 | 127,00 | 19,52 | 3,34 | 2,02 | 3,34 | — |
- Экспериментальное исследование трехфазной цепи при соединении электроприемников звездой
Характеристики лабораторной работы
Предмет
Учебное заведение
Номер задания
Просмотров
1
Размер
168,46 Kb
Список файлов
ЛР_4 (2).docx
Комментарии
Нет комментариев
Стань первым, кто что-нибудь напишет!
МГТУ им. Н.Э.Баумана
AlexInfinity


















