ДЗ 1: Исследование распределения токов и напряжений в цепи постоянного тока
Описание
Лабораторная Работа №1 по предмету: "Электротехника и Схемотехника"
В готовую работу входят:- формулы
- расчеты
- рисунки
- графики
- таблицы
Цель работы, Исследование распределения токов и напряжений в цепи постоянного тока,
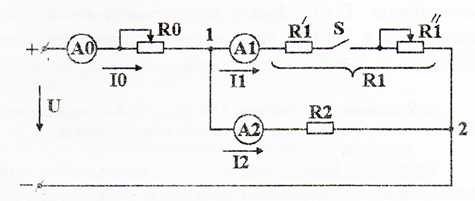
Рис,1, Схема исследования цепи постоянного тока Опыт 1, Цель опыта – исследовать схему последовательного соединения приемников Ro и R2
Опыт 2, Цель опыта – исследовать схему параллельного соединения приемников R1 и R2,
Характеристики домашнего задания
Предмет
Учебное заведение
Семестр
Номер задания
Просмотров
3
Размер
186,54 Kb
Список файлов
ЛР1.docx
Комментарии
Нет комментариев
Стань первым, кто что-нибудь напишет!
МГТУ им. Н.Э.Баумана
AlexInfinity















