ДЗ 1: Найти токи в схеме. Составить баланс мощности
Описание
Домашнее задание по дисциплине «Электротехника»
Вариант №1
Решение задачи.
Условие:
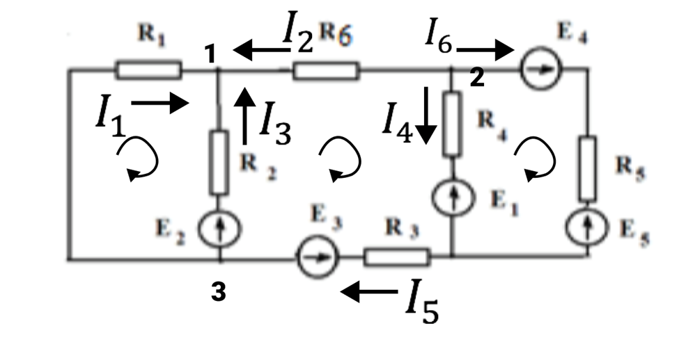
Найти токи в схеме. Составить баланс мощности
![]()
Вариант №1
Решение задачи.
Условие:
Найти токи в схеме. Составить баланс мощности

Характеристики домашнего задания
Предмет
Учебное заведение
Семестр
Номер задания
Просмотров
6
Размер
384,85 Kb
Список файлов
ДЗ1.docx
Комментарии
Нет комментариев
Стань первым, кто что-нибудь напишет!
МГТУ им. Н.Э.Баумана
AlexInfinity
















