Для студентов СамГТУ по предмету Электротехника (ЭлТех)Контрольная работаКонтрольная работа
5,0053234
2024-08-292024-08-29СтудИзба
ДЗ: Контрольная работа
Описание
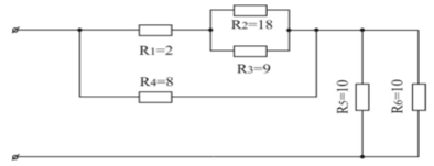
1 Расчет простых цепей постоянного тока
Определить эквивалентное сопротивление цепи
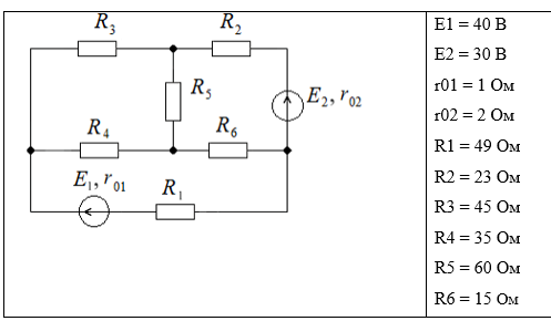
2 Расчет сложных цепей постоянного тока
В соответствии с вариантом выполнить расчет цепи двумя методами: методом узловых потенциалов и методом контурных токов. Выполнить проверку путем составления баланса мощностей.
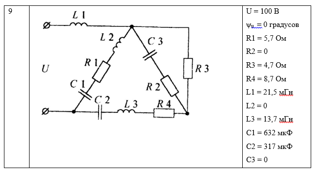
3 Расчет простых цепей переменного тока
1. Рассчитать комплексные сопротивления каждой ветви.
2. Найти токи в каждой ветви, используя метод свертки.
3. Определить падения напряжения на каждой ветви по закону Ома.
4. Построить векторную диаграмму токов и напряжений на одной плоскости, выбрав необходимый масштаб.
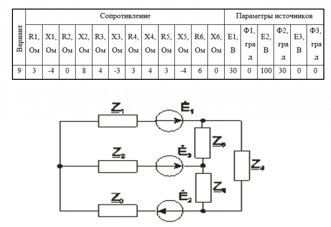
4 Расчет сложных цепей переменного тока
Для электрической схемы, соответствующей номеру варианта, с учетом параметров выполнить расчет токов в ветвях любым из перечисленных ниже методов:
Для расчета токов необходимо:
1. Вычертить заданную цепь и выписать заданные величины.
2. Произвести расчет всех комплексных токов и напряжений на участках цепи методом уравнений Кирхгофа.
3. Рассчитать сопряженные комплексы токов.
4. Вычислить комплексы мощности источника и приемников. Составить уравнение баланса мощности и убедиться в его справедливости.
![]()
Определить эквивалентное сопротивление цепи

В соответствии с вариантом выполнить расчет цепи двумя методами: методом узловых потенциалов и методом контурных токов. Выполнить проверку путем составления баланса мощностей.

1. Рассчитать комплексные сопротивления каждой ветви.
2. Найти токи в каждой ветви, используя метод свертки.
3. Определить падения напряжения на каждой ветви по закону Ома.
4. Построить векторную диаграмму токов и напряжений на одной плоскости, выбрав необходимый масштаб.

Для электрической схемы, соответствующей номеру варианта, с учетом параметров выполнить расчет токов в ветвях любым из перечисленных ниже методов:
Для расчета токов необходимо:
1. Вычертить заданную цепь и выписать заданные величины.
2. Произвести расчет всех комплексных токов и напряжений на участках цепи методом уравнений Кирхгофа.
3. Рассчитать сопряженные комплексы токов.
4. Вычислить комплексы мощности источника и приемников. Составить уравнение баланса мощности и убедиться в его справедливости.

Характеристики домашнего задания
Предмет
Учебное заведение
Просмотров
1
Качество
Идеальное компьютерное
Размер
322,84 Kb
Список файлов
PRIMER_15532124.docx

Если нужен другой вариант работы или отдельная задача из любой работы, пишите в комментарии