Для студентов МГТУ им. Н.Э.Баумана по предмету Электротехника (ЭлТех)Методы анализа линейных разветвленных электрических цепей при синусоидальных воздействияхМетоды анализа линейных разветвленных электрических цепей при синусоидальных воздействиях
5,0055
2023-09-012025-10-14СтудИзба
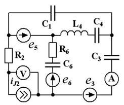
ДЗ 1: Методы анализа линейных разветвленных электрических цепей при синусоидальных воздействиях вариант 19
Описание
Характеристики домашнего задания
Предмет
Учебное заведение
Семестр
Номер задания
Вариант
Просмотров
174
Размер
705,26 Kb
Список файлов
19 variant.pdf
Комментарии
Нет комментариев
Стань первым, кто что-нибудь напишет!

МГТУ им. Н.Э.Баумана
meoww



















