Для студентов ИДДО НИУ «МЭИ» по предмету Электротехника (ЭлТех)Электротехника. СборникЭлектротехника. Сборник
5,00511
2024-02-292024-02-29СтудИзба
Ответы к экзамену Итоговый: Электротехника. Сборник
Описание
ЭЛЕКТРОТЕХНИКА – ТЕСТ С ОТВЕТАМИ (НИУ МЭИ - ИДДО)
В ТЕСТЕ СОБРАНЫ 100 ВАРИАНТОВ ВОПРОСОВ.
ДЛЯ БОЛЕЕ УДОБНОГО ПОИСКА ИСПОЛЬЗУЙТЕ СОЧЕТАНИЕ КЛАВИШ CTRL+F.
ПРАВИЛЬНЫЕ ОТВЕТЫ ОТМЕЧЕНЫ ГОЛУБЫМ ЦВЕТОМ, ИЛИ ТРЕМЯ ПЛЮСАМИ, ИЛИ ОТДЕЛЬНЫМИ ИЗОБРАЖЕНИЯМИ.
УБЕДИТЕСЬ, ЧТО ОТВЕТЫ ВАМ ПОДХОДЯТ ДО ПОКУПКИ!
В ТЕСТЕ СОБРАНЫ 100 ВАРИАНТОВ ВОПРОСОВ.
ДЛЯ БОЛЕЕ УДОБНОГО ПОИСКА ИСПОЛЬЗУЙТЕ СОЧЕТАНИЕ КЛАВИШ CTRL+F.
ПРАВИЛЬНЫЕ ОТВЕТЫ ОТМЕЧЕНЫ ГОЛУБЫМ ЦВЕТОМ, ИЛИ ТРЕМЯ ПЛЮСАМИ, ИЛИ ОТДЕЛЬНЫМИ ИЗОБРАЖЕНИЯМИ.
УБЕДИТЕСЬ, ЧТО ОТВЕТЫ ВАМ ПОДХОДЯТ ДО ПОКУПКИ!
- На рисунке дана кривая (график) мгновенной мощности пассивного участка цепи синусоидального тока. Определить полную мощность S участка цепи.
- Определить напряжение uC2(0+) после замыкания рубильника, если C1 = 4C2
- Продолжите предложение. При изменении частоты в два раза средние и действующие значения синусоидальных величин …
- К активному двухполюснику подключен магазин сопротивлений (пассивный двухполюсник, сопротивление которого может меняться). При двух разных значениях этого сопротивления измерены значения напряжения и тока. Определить параметры генератора (Rэ, EЭ), эквивалентного двухполюснику.
- Сколько опытов необходимо сделать для определения параметров несимметричного линейного четырехполюсника?
- Два линейных элемента, вольтамперные характеристики которых заданы на рисунке, соединены последовательно. Напряжение на втором элементе U2 = 200 В. Определите напряжение на первом элементе.
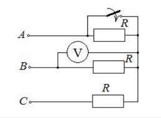
- Показания амперметров до замыкания ключа А1=А2=А3. Как изменится А1 после замыкания ключа.
- К двухполюснику приложено напряжение u(t)=100+100√sin(100t+45°) В. Параметры R = 1/ ωC = 100 Ом и цепь настроена в резонанс по первой гармонике. Определить мощность, потребляемую двухполюсником.
- На рисунке приведены кривые мгновенных значений напряжения и тока пассивного двухполюсника (П). Определить характер входного сопротивления двухполюсника.
- Известно напряжение на участке цепи и параметры элементов участка. Определить ток I. E=50 В, R=2 Ом, U=20 В.
- Известно напряжение на участке цепи и параметры элементов участка. Определить ток I. E=5 В, R=2 Ом, U=10 В.
- Две одинаковые индуктивно связанные катушки соединены последовательно. Известны ток и напряжение на участке: I=8 ∠-26° А, U=64 ∠-26° В. Определить активное сопротивление и индуктивность катушки, если М=0,16 Гн.
- Дано: R1 = 5 Ом, E1 = 80 В, J = 6 А. Внешняя (нагрузочная) характеристика заданного активного двухполюсника имеет вид:
- Сколько опытов необходимо для опытов необходимо для определения параметров симметричного линейного четырехполюсника?
- Известно действующие значение линейного тока /Л в симметричной трехфазной системе с линейными напряжениями прямой последовательности. Действующее значение тока в нейтральном проводе /N равно:
- Написать выражение мгновенного значения напряжения, заданного временной диаграммой:
- Для нелинейного элемента вольтамперная характеристика задана аналитически I=aU+bU2. Определите статическое сопротивление при U=0.
- Продолжите уравнение. Для двух синусоидальных величин, имеющих одинаковую амплитуду, угловую частоту, но разные начальные фазы средние и действующие значения …
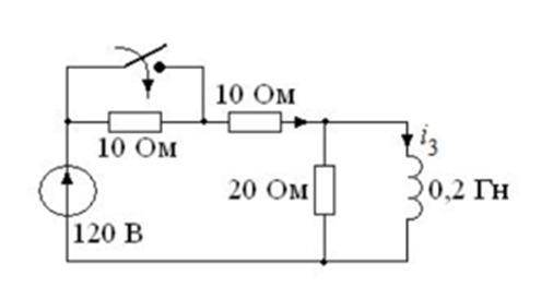
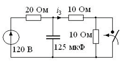
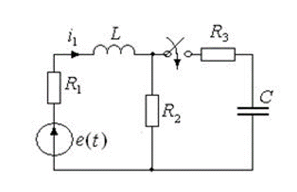
- Определить τ постоянную времени переходного тока i3(t).
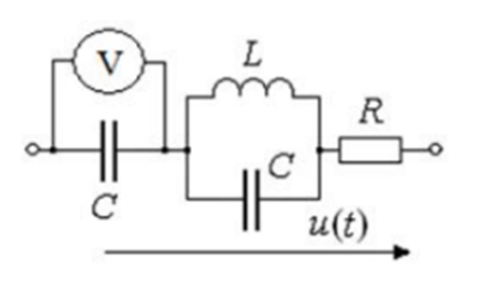
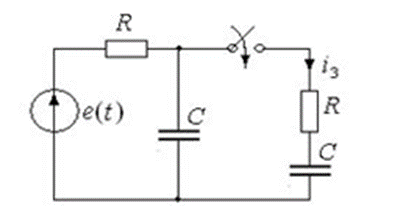
- Определите напряжение на источнике тока в схеме, изображенной на рисунке.
- Написать выражение мгновенного значения напряжения, заданного временной диаграммой:
- Известен ток I2 = 2A, параметры элементов R1=1 Ом, R2 = 2 Ом, J=1 A. Определить I1 и E1.
- Для нелинейного элемента вольтамперная характеристика задана аналитически I=aU+bU2. Определите статическое сопротивление при U=1 В.
- Для симметричного пассивного четырехполюсника справедливо, что
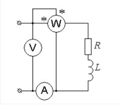
- Определить индуктивность неидеальной катушки, если известны показания приборов: P = 80 Вт, U=80 В, I=2 A. Частота источника f=50 Гц.
- Модуль комплексного сопротивления фазы симметричного приемника Z Ом. Фазы приемника соединены в «звезду». Линейный ток в симметричной четырехпроводной трехфазной системе равен I. Определить линейное напряжение трехфазного симметричного источника.
- Известен ток I2 = 3 А, параметры элементов R1 = 1 Ом, R2 = 2 Ом, J = 1 А. Определить I1 и E1.
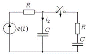
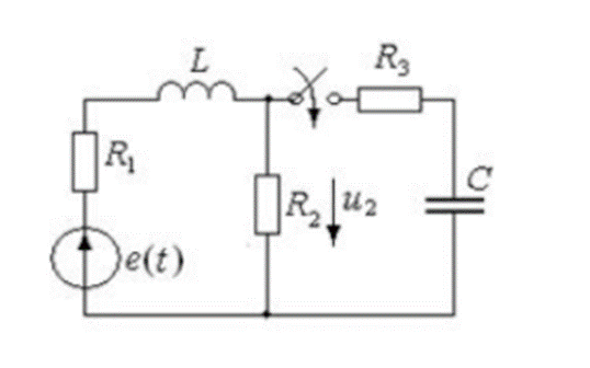
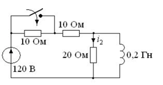
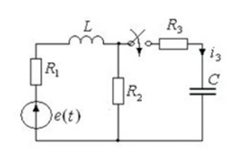
- Определить значение тока i2(0+), если e(t) = 141sin(314t + 45°) В, R1 = 2 Ом, R2 = 4 Ом, R3 = 2 Ом, C = 300 мкФ, L = 19,1 мГн.
- Для нелинейного элемента вольтамперная характеристика задана аналитически U(I) = a∛I. Определите динамическое сопротивление.
- Соотношение между действующими значениями линейного и фазного тока IЛ = √3Iф выполняется:
- На рисунке дана кривая (график) мгновенной мощности пассивного участка цепи синусоидального тока. Определить активную мощность P участка цепи.
- Определите мощность источника тока в схеме, изображенной на рисунке.
- Мгновенное значение напряжения равно u(t) = 40 + 30√2 sin ωt. Вольтметр магнитоэлектрической системы, подключенный к этому участку, показывает:
- На рисунке приведены кривые мгновенных значений напряжения и тока пассивного двухполюсника (П). Определить характер входного сопротивления двухполюсника.
- Определить постоянную ослабления (затухания) одного звена симметричной однородной цепной схемы из 4 звеньев, если схема нагружена на характеристическое сопротивление Zс = 10∠30° Ом, действующее значение тока на выходе схемы равно 8 А, действующее значение напряжения на входе схемы 400 В.
- Дано: R1 = 5 Ом, R2 = 20 Ом, R3 = 1 Ом, E1 = 25 В, E2 = 50 В. Определить ЭДС E, чтобы ток амперметра был равен нулю.
- Дано: R1 = 5 Ом, R2 = 5 Ом, R3 = 10 Ом, R4 = 20 Ом, E1 = 20 В, J = 5 А. Определить ЭДС E, чтобы ток амперметра был равен нулю.
- Как влияют реактивные элементы при заданной кривой несинусоидального ЭДС на входе RC цепи или RL цепи на форму кривой тока?
- Указать кривую переходного тока i2(t) после коммутации.
- Симметричный трехфазный приемник, с соединением фаз «звезда» подключен к симметричной четырехпроводной трехфазной системе с фазными напряжениями прямой последовательности. Определить действующее значение тока в фазе А, если линейное напряжение источника U В, сопротивление фазы приемника Z Ом.
- Известно напряжение на участке цепи и параметры элементов участка. Определить ток I. E=10 В, R=2 Ом, U=5 В.
- Каким видом симметрии обладает кривая, изображенной на графике?
- На рисунке приведены кривые мгновенных значений напряжения и тока пассивного двухполюсника (П). Определить характер входного сопротивления двухполюсника.
- Для каскадного соединения (см. рисунок) ZЦ характеристическое сопротивление четырехполюсника, эквивалентного цепочки n одинаковых четырехполюсников с характеристическим сопротивлением ZС , равно:
- Для нелинейного элемента вольтамперная характеристика задана аналитически U(I) = a√I. Определите динамическое сопротивление.
- Указать кривую переходного тока i2(t) после коммутации (uC(0+) = E).
- Определить значение тока i3(0+), если e(t) = 141sin(wt+90) B, R=10 Ом, С=219 мкФ, f=50 Гц.
- Определить τ постоянную времени переходного тока i2(t).
- Определить значение тока uL(0+), если e(t) = 141sin(314t + 45°) В, R1 = 2 Ом, R2 = 4 Ом, C = 300 мкФ, L = 19,1 мГн.
- Определить τ постоянную времени переходного тока i3(t).
- Указать кривую переходного тока i3(t) после коммутации.
- Указать кривую переходного тока i(t) после коммутации.
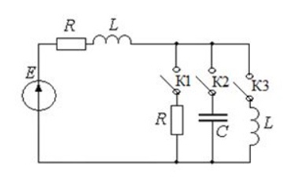
- Каким из рубильников необходимо осуществить коммутацию, чтобы выражение переходного тока в ветви с источником содержало две постоянных интегрирования?
- Определить значение тока i3(0+), если e(t) = 141sin(314t+45) B, R1=2 Ом, R2 = 4 Ом, R3 = 2 Ом, С=300 мкФ, L=19,1 мГн.
- Указать кривую переходного тока i(t) после коммутации.
- Определить значение тока i2(0+), если e(t) = 200sin(ωt + 45°) В, R =10 Ом, C = 319 мкФ, f = 50 Гц.
- Для какой цепи переходной ток в ветви с источником будет выражаться функцией вида i(t) = iуст + A1ep1t + A2ep2t, iуст ≠ 0?
- Определить значение тока i1(0+), если e(t) = 141sin(314t + 45°) В, R1 = 2 Ом, R2 = 4 Ом, R3 = 2 Ом, C = 300 мкФ, L = 19,1 мГн
- Определить τ постоянную времени переходного тока i2(t).
- Две катушки (X1=8 Ом, X3 = 2 Ом) намотаны на общий сердечник (см. рисунок). Амперметр показывает 3,5 А. Что покажет вольтметр, если коэффициент связи можно считать равным единице?
- Катушка с магнитопроводом подключена к источнику синусоидального напряжения. Показание вольтметра 220 В, частота f=50 Гц. Средняя длина магнитопровода = 100 см, площадь поперечного сечения S = 100 см, число витков обмотки w=100. Пренебрегая гистерезисом, рассеянием, активным сопротивлением обмотки, используя расчет по действующим значением, определить показание амперметра. Зависимость амплитуды индукции в магнитопроводе от амплитуды напряженности магнитного поля Вт(Нт) задана.
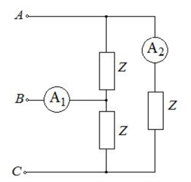
- Амперметр А2 в симметричной трехфазной системе показывает 10 А. Определить показание А1.
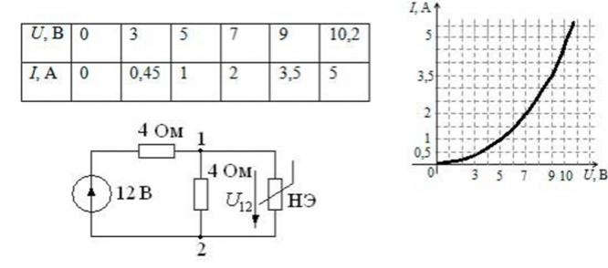
- Найти напряжение U12.
- Продолжите выражение. Законы Кирхгофа могут быть записаны для …
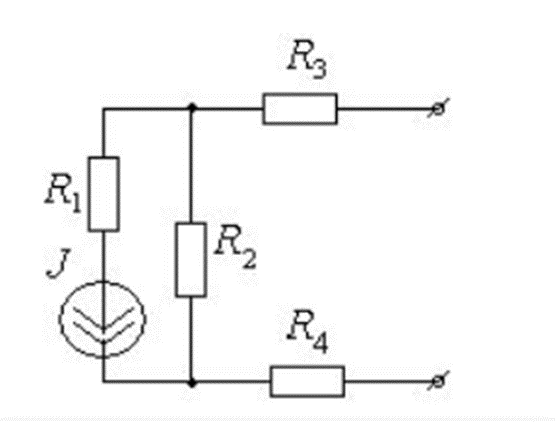
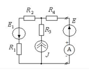
- Дано: R1 = 1 Ом, R2 = 2 Ом, R3 = 3 Ом, R4 = 4 Ом, J = 5 А. Определить сопротивление генератора, эквивалентного заданному активному двухполюснику.
- Какое соединение четырехполюсников, представленных на рисунке, называется каскадным соединением?
- Дано: E1=100 В, R1=R2=10 Ом, R=5 Ом, J=5 А. Определить напряжение Umn.
- Вольтамперная характеристика нелинейного элемента задана таблично и графически. Определить ток в ветви с нелинейным элементом.
- Дано: R1 = 1 Ом, R2 = 2 Ом, R3 = 3 Ом, R4 = 6 Ом, Е6 = 50 В, J = 2 А. Определить сопротивление генератора, эквивалентного заданному активному двухполюснику.
- Продолжить предложение. При увеличении частоты синусоидального тока параметры R, L и C линейных элементов …
- Для какого из четырехполюсников, схемы которых приведены на рисунке, выполняется условия A11*A22-A12*A21=1?
- Найти показания измеряющих напряжение u(t) приборов различных систем: а) магнитоэлектрического; б) электромагнитного. Umax=1 В.
- Показание вольтметра до замыкания ключа 10 В. Определить показание вольтметра после замыкания ключа.
- Найти напряжение U12.
- Будет ли кривая тока в неразветвленной части цепи, состоящей из параллельно включенных резистора и емкости совпадать по форме с кривой тока одной из ветвей, если на входе действует несинусоидальная ЭДС?
- В цепи с последовательным соединением R=10 Ом и L=10 мГн мгновенное значение тока i(t) =5sin(1000t-45)A. Определить u(t).
- Симметричный четырехполюсник, схема которого приведена ниже, нагружен на характеристическое сопротивление. Определить постоянную ослабление А.
- При каком значении Xc в цепи наступает резонанс?
- Указать кривую переходного тока i(t) после коммутации.
- Продолжите предложение. При увеличении частоты синусоидального тока параметры R, L и C линейных элементов …
- Мгновенное значение напряжения равно u(t) = 40 + 30√2 sin(ωt+30). Вольтметр электромагнитной системы, подключенный к этому участку, показывает:
- Показания амперметров до размыкания ключа А1=А2=А3=5 А. Определить показание А3 после размыкания ключа.
- Дано: R1=1 Ом, R2=2 Ом, R3=3 Ом, E1=100 В. Определить сопротивление генератора, эквивалентного заданному активному двухполюснику.
- В цепи с последовательным соединением R=10 Ом и L=10 мГн мгновенное значение тока i(t) =5sin(1000t+45)A. Определить u(t).
- Известно напряжение на участке цепи и параметры элементов участка. Определить ток I. E=5 В, R=2 Ом, U=10 В.
- Вольтамперная характеристика нелинейного элемента задана таблично и графически. Определить ток в ветви с нелинейным элементом.
- Определить емкость неидеального конденсатора, если известны показания приборов: P=80 Вт, U=40 В, I = 4 А. Частота источника f=50 Гц.
- На рисунке дана кривая (график) мгновенной мощности пассивного участка цепи синусоидального тока. Определить реактивную мощность Q.
- Определить значение тока u2(0+), если e(t) = 141sin(314t + 45°) В, R1 = 2 Ом, R2 = 4 Ом, R3 = 2 Ом, C = 300 мкФ, L = 19,1 мГн.
- Известно напряжение на участке цепи и параметры элементов участка. Определить ток I. E=10 В, R=2 Ом, U=5 В.
- Соотношение между фазным и линейным напряжением симметричного трехфазного источника Uл=√3Uф при соединении фаз источника «звезда» выполняется:
- Схема настроена на резонанс токов. Известно u(t)= 100 + 150 sin 100t В, R=10 Ом, C=100 мкФ, L=1 Гн. Определить показание вольтметра электромагнитной системы.
- Вольтамперная характеристика нелинейного элемента задана таблично и графически. Определить напряжение на нелинейном элементе U12.
- Определить емкость неидеального конденсатора, если известны показания приборов: P = 40 Вт, U = 80 В, I = 2 А. Частота источника f = 50 Гц.
- Определить мгновенное и действующее значение тока при действии u = 44,8 sinωt + 30√2 sin2ωt B, если R = 10 Ом, 1/ωC = 20 Ом.
- Известно напряжение на участке цепи и параметры элементов участка. Определить ток I. E = 5 В, R = 2 Ом, U = 10 В.
- Определить значение тока u3 (0+ ), если e(t) = 141sin(314t + 45°) В, R1 = 2 Ом, R2 = 4 Ом, R3 = 2 Ом, C = 300 мкФ, L = 19,1 мГн.
- Во сколько раз изменится активная мощность источника, если изменить соединение фаз симметричного трехфазного приемника со “звезды” на “треугольник” при неизменном линейном напряжении?
- Дано: E = 80 В, R1 = R3 = 4 Ом, R2 = 8 Ом. При каком значении сопротивления в резисторе R выделяется максимальная мощность? Определить значение Pmax.
- Может ли входное реактивное сопротивление трансформатора быть меньше реактивного сопротивления первичной обмотки?
Список вопросов
Известно напряжение на участке цепи и параметры элементов участка. Определить ток I. E=10 В, R=2 Ом, U=5 В. ![]()

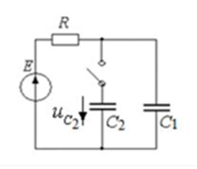
Определить напряжение uC2(0+) после замыкания рубильника, если C1 = 4C2 ![]()

Симметричный трехфазный приемник, с соединением фаз «звезда» подключен к симметричной четырехпроводной трехфазной системе с фазными напряжениями прямой последовательности. Определить действующее значение тока в фазе А, если линейное напряжение источника U В, сопротивление фазы приемника Z Ом.
Соотношение между действующими значениями линейного и фазного тока IЛ = √3Iф выполняется:
Определить τ постоянную времени переходного тока i3(t). ![]()

Определить значение тока i2(0+), если e(t) = 200sin(ωt + 45°) В, R =10 Ом, C = 319 мкФ, f = 50 Гц. ![]()

Показание вольтметра до замыкания ключа 10 В. Определить показание вольтметра после замыкания ключа. ![]()

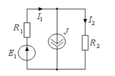
Известен ток I2 = 3 А, параметры элементов R1 = 1 Ом, R2 = 2 Ом, J = 1 А. Определить I1 и E1. ![]()

Дано: R1 = 1 Ом, R2 = 2 Ом, R3 = 3 Ом, R4 = 6 Ом, Е6 = 50 В, J = 2 А. Определить сопротивление генератора, эквивалентного заданному активному двухполюснику. ![]()

Катушка с магнитопроводом подключена к источнику синусоидального напряжения. Показание вольтметра 220 В, частота f=50 Гц. Средняя длина магнитопровода = 100 см, площадь поперечного сечения S = 100 см, число витков обмотки w=100. Пренебрегая гистерезисом, рассеянием, активным сопротивлением обмотки, используя расчет по действующим значением, определить показание амперметра. Зависимость амплитуды индукции в магнитопроводе от амплитуды напряженности магнитного поля Вт(Нт) задана. ![]()
Определите напряжение на источнике тока в схеме, изображенной на рисунке. ![]()

Соотношение между фазным и линейным напряжением симметричного трехфазного источника Uл=√3Uф при соединении фаз источника «звезда» выполняется:
Для какой цепи переходной ток в ветви с источником будет выражаться функцией вида i(t) = iуст + A1ep1t + A2ep2t, iуст ≠ 0?
К активному двухполюснику подключен магазин сопротивлений (пассивный двухполюсник, сопротивление которого может меняться). При двух разных значениях этого сопротивления измерены значения напряжения и тока. Определить параметры генератора (Rэ, EЭ), эквивалентного двухполюснику. ![]()

Дано: R1 = 5 Ом, E1 = 80 В, J = 6 А. Внешняя (нагрузочная) характеристика заданного активного двухполюсника имеет вид:
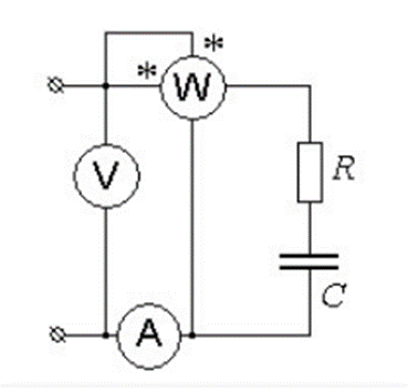
Определить индуктивность неидеальной катушки, если известны показания приборов: P = 80 Вт, U=80 В, I=2 A. Частота источника f=50 Гц. ![]()

Мгновенное значение напряжения равно u(t) = 40 + 30√2 sin ωt. Вольтметр магнитоэлектрической системы, подключенный к этому участку, показывает:
Для симметричного пассивного четырехполюсника справедливо, что
На рисунке дана кривая (график) мгновенной мощности пассивного участка цепи синусоидального тока. Определить активную мощность P участка цепи. ![]()

Определить емкость неидеального конденсатора, если известны показания приборов: P = 40 Вт, U = 80 В, I = 2 А. Частота источника f = 50 Гц. ![]()

Определить значение тока i2(0+), если e(t) = 141sin(314t + 45°) В, R1 = 2 Ом, R2 = 4 Ом, R3 = 2 Ом, C = 300 мкФ, L = 19,1 мГн. ![]()

Каким из рубильников необходимо осуществить коммутацию, чтобы выражение переходного тока в ветви с источником содержало две постоянных интегрирования? ![]()

Известен ток I2 = 2A, параметры элементов R1=1 Ом, R2 = 2 Ом, J=1 A. Определить I1 и E1. ![]()

Определить значение тока i1(0+), если e(t) = 141sin(314t + 45°) В, R1 = 2 Ом, R2 = 4 Ом, R3 = 2 Ом, C = 300 мкФ, L = 19,1 мГн ![]()

Определить τ постоянную времени переходного тока i2(t). ![]()

Модуль комплексного сопротивления фазы симметричного приемника Z Ом. Фазы приемника соединены в «звезду». Линейный ток в симметричной четырехпроводной трехфазной системе равен I. Определить линейное напряжение трехфазного симметричного источника.
Определить значение тока i3(0+), если e(t) = 141sin(wt+90) B, R=10 Ом, С=219 мкФ, f=50 Гц. ![]()

На рисунке дана кривая (график) мгновенной мощности пассивного участка цепи синусоидального тока. Определить реактивную мощность Q. ![]()

Определить емкость неидеального конденсатора, если известны показания приборов: P=80 Вт, U=40 В, I = 4 А. Частота источника f=50 Гц. ![]()

На рисунке приведены кривые мгновенных значений напряжения и тока пассивного двухполюсника (П). Определить характер входного сопротивления двухполюсника. ![]()

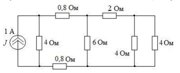
Дано: R1 = 5 Ом, R2 = 5 Ом, R3 = 10 Ом, R4 = 20 Ом, E1 = 20 В, J = 5 А. Определить ЭДС E, чтобы ток амперметра был равен нулю. ![]()

Написать выражение мгновенного значения напряжения, заданного временной диаграммой:
![]()

Показания амперметров до замыкания ключа А1=А2=А3. Как изменится А1 после замыкания ключа. ![]()

Симметричный четырехполюсник, схема которого приведена ниже, нагружен на характеристическое сопротивление. Определить постоянную ослабление А. ![]()

К двухполюснику приложено напряжение u(t)=100+100√sin(100t+45°) В. Параметры R = 1/ ωC = 100 Ом и цепь настроена в резонанс по первой гармонике. Определить мощность, потребляемую двухполюсником. ![]()

Дано: R1 = 1 Ом, R2 = 2 Ом, R3 = 3 Ом, R4 = 4 Ом, J = 5 А. Определить сопротивление генератора, эквивалентного заданному активному двухполюснику. ![]()

Известно напряжение на участке цепи и параметры элементов участка. Определить ток I. E=50 В, R=2 Ом, U=20 В. ![]()

Определить значение тока u2(0+), если e(t) = 141sin(314t + 45°) В, R1 = 2 Ом, R2 = 4 Ом, R3 = 2 Ом, C = 300 мкФ, L = 19,1 мГн. ![]()

На рисунке приведены кривые мгновенных значений напряжения и тока пассивного двухполюсника (П). Определить характер входного сопротивления двухполюсника. ![]()

Определить мгновенное и действующее значение тока при действии u = 44,8 sinωt + 30√2 sin2ωt B, если R = 10 Ом, 1/ωC = 20 Ом ![]()

Для нелинейного элемента вольтамперная характеристика задана аналитически I=aU+bU2. Определите статическое сопротивление при U=0.
Определить τ постоянную времени переходного тока i3(t). ![]()

Известно напряжение на участке цепи и параметры элементов участка. Определить ток I. E=10 В, R=2 Ом, U=5 В. ![]()

Сколько опытов необходимо сделать для определения параметров несимметричного линейного четырехполюсника?
Известно напряжение на участке цепи и параметры элементов участка. Определить ток I. E=5 В, R=2 Ом, U=10 В. ![]()

В цепи с последовательным соединением R=10 Ом и L=10 мГн мгновенное значение тока i(t) =5sin(1000t-45)A. Определить u(t). ![]()

Схема настроена на резонанс токов. Известно u(t)= 100 + 150 sin 100t В, R=10 Ом, C=100 мкФ, L=1 Гн. Определить показание вольтметра электромагнитной системы. ![]()

Амперметр А2 в симметричной трехфазной системе показывает 10 А. Определить показание А1. ![]()

На рисунке дана кривая (график) мгновенной мощности пассивного участка цепи синусоидального тока. Определить полную мощность S участка цепи. ![]()

Известно напряжение на участке цепи и параметры элементов участка. Определить ток I. E = 5 В, R = 2 Ом, U = 10 В. ![]()

Определить значение тока i3(0+), если e(t) = 141sin(314t+45) B, R1=2 Ом, R2 = 4 Ом, R3 = 2 Ом, С=300 мкФ, L=19,1 мГн. ![]()

Две одинаковые индуктивно связанные катушки соединены последовательно. Известны ток и напряжение на участке: I=8 ∠-26° А, U=64 ∠-26° В. Определить активное сопротивление и индуктивность катушки, если М=0,16 Гн.
Определить значение тока uL(0+), если e(t) = 141sin(314t + 45°) В, R1 = 2 Ом, R2 = 4 Ом, C = 300 мкФ, L = 19,1 мГн. ![]()

Известно действующие значение линейного тока /Л в симметричной трехфазной системе с линейными напряжениями прямой последовательности. Действующее значение тока в нейтральном проводе /N равно:
Во сколько раз изменится активная мощность источника, если изменить соединение фаз симметричного трехфазного приемника со “звезды” на “треугольник” при неизменном линейном напряжении?
Определить постоянную ослабления (затухания) одного звена симметричной однородной цепной схемы из 4 звеньев, если схема нагружена на характеристическое сопротивление Zс = 10∠30° Ом, действующее значение тока на выходе схемы равно 8 А, действующее значение напряжения на входе схемы 400 В.
Мгновенное значение напряжения равно u(t) = 40 + 30√2 sin(ωt+30). Вольтметр электромагнитной системы, подключенный к этому участку, показывает:
Для нелинейного элемента вольтамперная характеристика задана аналитически U(I) = a∛I. Определите динамическое сопротивление.
Дано: R1=1 Ом, R2=2 Ом, R3=3 Ом, E1=100 В. Определить сопротивление генератора, эквивалентного заданному активному двухполюснику. ![]()

Для нелинейного элемента вольтамперная характеристика задана аналитически I=aU+bU2. Определите статическое сопротивление при U=1 В.
Для каскадного соединения (см. рисунок) ZЦ характеристическое сопротивление четырехполюсника, эквивалентного цепочки n одинаковых четырехполюсников с характеристическим сопротивлением ZС , равно:
Продолжите предложение. При увеличении частоты синусоидального тока параметры R, L и C линейных элементов …
Известно напряжение на участке цепи и параметры элементов участка. Определить ток I. E=5 В, R=2 Ом, U=10 В. ![]()

Дано: R1 = 5 Ом, R2 = 20 Ом, R3 = 1 Ом, E1 = 25 В, E2 = 50 В. Определить ЭДС E, чтобы ток амперметра был равен нулю. ![]()

Два линейных элемента, вольтамперные характеристики которых заданы на рисунке, соединены последовательно. Напряжение на втором элементе U2 = 200 В. Определите напряжение на первом элементе. ![]()

Дано: E = 80 В, R1 = R3 = 4 Ом, R2 = 8 Ом. При каком значении сопротивления в резисторе R выделяется максимальная мощность? Определить значение Pmax. ![]()

Определить значение тока u3 (0+ ), если e(t) = 141sin(314t + 45°) В, R1 = 2 Ом, R2 = 4 Ом, R3 = 2 Ом, C = 300 мкФ, L = 19,1 мГн. ![]()

Показания амперметров до размыкания ключа А1=А2=А3=5 А. Определить показание А3 после размыкания ключа. ![]()

В цепи с последовательным соединением R=10 Ом и L=10 мГн мгновенное значение тока i(t) =5sin(1000t+45)A. Определить u(t). ![]()

Для нелинейного элемента вольтамперная характеристика задана аналитически U(I) = a√I. Определите динамическое сопротивление.
Продолжите уравнение. Для двух синусоидальных величин, имеющих одинаковую амплитуду, угловую частоту, но разные начальные фазы средние и действующие значения …
Продолжите предложение. При изменении частоты в два раза средние и действующие значения синусоидальных величин …
Сколько опытов необходимо для опытов необходимо для определения параметров симметричного линейного четырехполюсника?
Определите мощность источника тока в схеме, изображенной на рисунке. ![]()

Продолжить предложение. При увеличении частоты синусоидального тока параметры R, L и C линейных элементов …
Будет ли кривая тока в неразветвленной части цепи, состоящей из параллельно включенных резистора и емкости совпадать по форме с кривой тока одной из ветвей, если на входе действует несинусоидальная ЭДС?
Как влияют реактивные элементы при заданной кривой несинусоидального ЭДС на входе RC цепи или RL цепи на форму кривой тока?
Продолжите выражение. Законы Кирхгофа могут быть записаны для …
Может ли входное реактивное сопротивление трансформатора быть меньше реактивного сопротивления первичной обмотки?
Характеристики ответов (шпаргалок) к экзамену
Тип
Коллекция: Ответы (шпаргалки) к экзамену
Предмет
Учебное заведение
Семестр
Номер задания
Просмотров
208
Качество
Идеальное компьютерное
Количество вопросов
Пожалуйста, если не трудно, оцените файл на высокую оценку, спасибо!
Вопросы
Вопрос
Здравствуйте! Это полный пак вопросов? Какая оценка/процент?
ИДДО НИУ «МЭИ»
iFate


















