Для студентов МГТУ им. Н.Э.Баумана по предмету ЭлектроникаПолупроводниковые приборыПолупроводниковые приборы
5,0055
2022-04-112024-10-08СтудИзба
Лабораторная работа 1: Полупроводниковые приборы
Описание
Цель работы: исследование характеристик германиевого и кремниевого диодов, изучение методики измерения характеристик и расчет параметров математической модели диода по характеристикам.
Порядок выполнения работы.
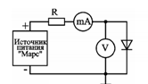
1) Построение прямых ветвей ВАХ диодов VD1 и VD2. Схема для снятия характеристики (диоды включены в прямом направлении):

Диод VD1 – Д220 (кремниевый); диод VD2 – Д310 (германиевый).
2) Построение обратных ветвей ВАХ диодов VD1 и VD2.
Схема для снятия характеристики (диоды включены в обратном направлении):
3) Построение обратной ветви ВАХ стабилитрона VD3.Стабилитрон VD3 – КС139А – стабилитрон общего назначения кремниевый сплавной.
Характеристики лабораторной работы
Предмет
Учебное заведение
Номер задания
Просмотров
43
Размер
4,03 Mb
Список файлов
ЛР1 эимпт.docx
МГТУ им. Н.Э.Баумана
meoww



















