Исследование вольтамперных характеристик усилителя базе операционного усилителя (ОУ) (1075451)
Текст из файла
Цель работы:
экспериментально ознакомиться с основными характеристиками и параметрами усилительного каскада (инвертирующего) на базе операционного усилителя (ОУ)
марки 140УД7.
Задачи работы:
получить серию амплитудных (АХ) и амплитудно-частотных (ЛАЧХ) характеристик усилителя на базе ОУ для различных параметров лабораторного макета; полученные результаты сопоставить с предварительно рассчитанными (теоретически) параметрами и характеристиками усилительного каскада.
Теоретический раздел.
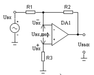
Прежде, чем приводить экспериментальные результаты, проведем предварительный анализ характеристик исследуемого усилительного каскада для разных вариантов исполнения исследуемого макета. Принципиальная исследуемая схема инвертирующего усилительного каскада на базе ОУ представлена на рис.1.
Рисунок 1. Схема исследуемого инвертирующего усилительного каскада на базе ОУ.
Паспортные данные ОУ 140УД7:
Kоу= 50000
Uсм= +-6 мВ
Iвх= +-500 нА
dIвх= 200 нА (разность входных токов)
Косс= 70 дБ
Rвх= 1 МОм
f1= 0,8 МГц
Vmax= 0,3 В/мкс
Uп= +-15 В
Согласно рис.1 ОУ охвачен цепью отрицательной обратной связью(ООС) по напряжению: на инвертирующий вход ОУ возвращается часть выходного напряжения Uвых (падение напряжения на R1). Для исследуемого инвертирующего усилительного каскада входное напряжение Uвх и напряжение ООС суммируются на инвертирующем входе ОУ с помощью резистивного делителя (R1-R2), поэтому ООС является параллельной. Напряжение питания для всех экспериментов Ep=15 B.
Лабораторные исследования данной схемы проводятся для следующих исполнений схемы:
R1.1=1К; R1.2=10К; R2.1=10К; R2.2=100К; R3.1=1К; R3.2=100К;
-
R1=R1.1=1К; R2=R2.2=100К; R3=R3.1||R3.2=0.99К≈1К;
-
R1=R1.1=1К; R2=R2.1=10К; R3=R3.1||R3.2≈1К;
Коэффициент обратной связи В определяется выражением, полученным посредством использования законов Ома и Кирхгофа:
В=R1/(R1+R2);
В инвертирующем усилительном каскаде входное напряжение Uвх поступает на инвертирующий вход ОУ с коэффициентом деления mu, определяемым также из законов линейных цепей и равным:
mu=R2/(R1+R2);
Согласно теории усиления с ООС коэффициент усиления инвертирующего усилительного каскада Kи равен:
Ки=Umвых/Umвх=-mu*Koy/(1+B*Koy)=-(R2/R1)/[1+1/(Koy*B)],
где Коу=Uвых/Uвх – коэффициент усиления ОУ относительно входного дифференциального напряжения, равного Uвх.д.=Uвх+-Uвх-. При использовании глубокой ООС(В*Koy>>1) коэффициент усиления усилительного каскада определяется, как:
Ки=-(R2/R1);
Таким образом, получим теоретические значения коэффициента усиления Ки для исполнений схемы 1) и 2):
Ки1=R21/R11=100; Ки2=R22/R12=10;
Начиная с определенного уровня входного напряжения, выходное напряжение усилительного каскада на ОУ получает искажения. Уровни входных напряжений, при которых сохраняется линейный режим усиления, определяют по амплитудной характеристике (АХ) усилительного каскада.
Для усилительных каскадов на ОУ вид АХ зависит от частоты усиливаемого сигнала. При усилении сигналов с относительно невысокими частотами нарушение линейность АХ каскада объясняется выходом транзисторов ОУ в режим насыщения или отсечки. Уровни напряжений, при которых происходит выход усилительного каскада из линейного режима работы, определяется передаточной характеристикой ОУ, согласно которой максимальная амплитуда выходного сигнала
Uвых.макс≈Ep-(1÷2)=13÷14 B.
Зная коэффициенты усиления Ки1=100 и Ки2=10 , а также максимальный уровень амплитуды выходного сигнала Uвых.макс=13÷14 В, построим теоретические АХ усилительного каскада на ОУ для 1-го квадранта (см. рис.2).
Рисунок 2. Расчетные АХ для 2-х исполнений схемы усилительного каскада.
На высоких частотах входного сигнала нарушение линейности АХ усилительного каскада связано с динамическими свойствами используемого ОУ. Специфика схемотехники интегральных ОУ накладывает ограничение на максимальную скорость изменения выходного напряжения vмакс, которая, согласно паспортным данным, равна vмакс=3*105В/с. Предельная амплитуда выходного напряжения Um.вых.макс, начиная с которой в усилительном каскаде наблюдается отклонение от линейного режима работы, выраженное в искажении синусоидального сигнала и преобразование его в треугольный (согласно рис.3), определяется частотой сигнала f и максимальной скоростью vмакс изменения выходного напряжения ОУ:
Um.вых.макс=vмакс/(2π*f);
Р
исунок 3. Искажение выходного сигнала, связанное с ограничением по скорости изменения выходного напряжения.
Измерения по нарушению линейности выходного сигнала на высоких частотах проводятся, согласно условиям эксперимента для f’=fв/4, где fв – верхняя предельная частота для исполнения схемы 2) ( исполнение схемы 3) согласно условиям эксперимента). Частотная зависимость коэффициента усиления усилительных каскадов на ОУ с резистивной цепью ООС определяется как:
Ки(f)=Ки(0)/(1+j*2πf*tB),
где Ки(0) - коэффициент усиления инвертирующего усилительного каскада по постоянному току, определенный для 2-х вариантов исполнения схемы, а tB- эквивалентная постоянная времени усилительного каскада в области верхних частот, равная:
tв=Киi/(j*2πf1);
Отсюда следует, что верхняя граничная частота fв полосы усиления усилительного каскада на ОУ, определяемая из условия, что на данной частоте модуль коэффициента равен Ки(fв)= Kи(0)/
, связана с частотой единичного усиления f1 и коэффициентом усиления каскада по постоянному току Kи(0) соотношением
fв = f1/ Kи(0);
Таким образом, определим теоретическое значение максимальной амплитуды выхода в случае нелинейных искажений на высоких частотах для Ки2=10:
f’=fB/4=f1/(4Kи)=800000/(4*10)=20 кГц; →
Um.вых.макс(теор.)= vмакс/(2π*f’)=3*105/(2*3.14*20000)≈2.5 В;
Теоретическая АХ для второго случая нелинейных искажений амплитуды выхода (т.е. для области высоких частот) имеет вид, представленный на рис.4.
Рисунок 4. АХ инвертирующего усилительного каскада для частоты f’=fB/4.
Теперь построим серию теоретических ЛАЧХ усилительного каскада для следующих исполнений исследуемой схемы:
-
R1=R1.1; R2=R2.2; R3=R3.1||R3.2; Cp=C1.2;
-
R1=R1.1; R2=R2.2; R3=R3.1||R3.2; Cp=C1.2; R2.2 – зашунтирован С2.1;
-
R1=R1.1; R2=R2.1; R3=R3.1||R3.2; Cp=C1.2;
-
R1=R1.1; R2=R2.1; R3=R3.1||R3.2; Cp=C1.1;
где C1.1=0.066 мкФ; C1.2=0.33 мкФ; C2.1=100 пФ;
Схема лабораторного макета представлена на рис.5:
Рисунок 5. Схема лабораторного макета [представлена для исполнения 1)].
Значение Ки1(сч) и Ки2(сч) были определены и равны соответственно 100 [для схемы 1) и 2)] и 10 [для схемы 3) и 4)]. Значение fв2=fв=80 кГц для схем 3) и 4). Аналогично расчету fв, получим значение fв1:
fв1= f1/ Kи1(0)=800000/100=8 кГц - для схемы 1).
Для схемы 2) при заданном коэффициенте усиления каскада необходимо уменьшить верхнюю граничную частоту полосы усиления, то резистор R2 цепи ООС шунтируют конденсатором С2. В этом случае верхняя граничная частота полосы усиления усилительного каскада определяется как:
fв1’=1/(2π*[tB+t2]), где tB=1/(2π*fB1)=2*10-5(c) ; t2 – постоянная времени цепи ООС, определяемая как ; t2=R2*C2.1=105*100*10-12=10-5(c), →
fв1’=1/(2π*[2*10-5+10-5])=5.3 кГц.
Теперь определим нижние граничные частоты для каждой из схем исполнения:
Для схем 1) – 3) конденсатор С1.2 и сопротивление R1.1 образуют фильтр верхних частот, поэтому коэффициент усиления каскада на ОУ в области нижних частот уменьшается и представляется функцией:
Kи(f)=Ки(0)/[1+1/(j*2π*f*tн)], где tн - постоянная времени входной цепи усилительного каскада на ОУ. Для инвертирующего усилительного каскада постоянная времени определяется как tн=Сp*R1.
Таким образом, для схем 1)-3) fн=1/(2π*tн):
fн1=1/(2π*C1.2*R1.1)=1/(2*3.14*0.33*10-6*1000)≈480 Гц.
В случае схемы 4) , когда Ср=C1.1=0.066 мкФ, →
fн2=1/(2π*C1.1*R1.1)=1/(2*3.14*0.066*10-6*1000)≈2.4 кГц.
Имея в своем распоряжении аналитические данные по значениям модуля коэффициента усиления инвертирующего усилительного каскада на базе ОУ в области СЧ, а также граничные частоты для каждого из вариантов исполнения схемы, построим серию ЛАЧХ нашего каскада, аппроксимируя каждую из них 3-мя прямыми:
-горизонтальной, в области СЧ, где модуль Ки[дБ]=20log(Киi);
-двумя наклонными с угловыми коэффициентами 20 дБ/дек и -20 дБ/дек для области нижних и верхних частот соответственно; причем точки пересечения наклонных прямых с горизонтальной соответствуют значениям верхних и нижних предельных частот;
Серию ЛАЧХ изобразим на рис.6.
Рисунок 6. Серия теоретических ЛАЧХ усилительного каскада.
Теперь, имея в своем распоряжении теоретическую подоплеку для анализа экспериментальных данных, перейдем к экспериментальному разделу.
Экспериментальный раздел.
При проведении лабораторной работы используются лабораторный макет, на котором можно собрать схему инвертирующего усилительного каскада на ОУ с различными коэффициентами усиления. Схема макета изображена на рис.7. Макет содержит операционный усилитель марки 140УД7, магазин резисторов и конденсаторов, номиналы которых имеют величины:
R1.1=1К; R1.2=10К; C1.1=0.066 мкФ; C1.2=0.33 мкФ;
R2.1=10К; R2.2=100К; C2.1=100 пФ;
R3.1=1К; R3.2=100К;
Сборка схемы заданного для исследования типа усилительного каскада с заданным коэффициентом усиления проводится с помощью перемычек. Для работы усилительного каскада к макету подводится двух полярное напряжение питания Епит=15 В от лабораторных источников к соответствующим клеммам.
Рисунок 7. Схема лабораторного макета.
Опыт1. Измерение серии ЛАЧХ усилительного инвертирующего каскада.
Опишем, вначале, методику снятия характеристик. Для получения АЧХ в логарифмическом масштабе (ЛАЧХ) выходное напряжение каскада измеряется вольтметром В3-38 со шкалой, проградуированной в децибелах. Подаваемый уровень входного напряжения от генератора Г3-112 соответствует линейному режиму усиления. При коэффициенте усиления каскада Ku =100 и 10 выходное напряжение устанавливается равным 0 дБ (Uэфф=0,775 В) на частоте 4 кГц. Затем изменяется частота входного сигнала (как в сторону увеличения, так и в сторону уменьшения), фиксируется выходное напряжение [дБ] на частотах, являющихся границами декад и кратных 2 (в нашем опыте результаты записываются для частот 2*10к и 4*10к, к=1÷5 ), до тех пор, пока его уровень не достигнет -40 дБ. Расчет коэффициента усиления Ки[дБ] осуществляется из соображений:
Ки[дБ]=20*log(Umвых/Umвх)=20*log(Umвых)-20* log(Umвх)=Uвых[дБ]-Uвх[дБ]
Экспериментальные ЛАЧХ снимаются для следующих вариантов исполнения схемы усилительного каскада:
1)R1=R1.1; R2=R2.2; R3=R3.1||R3.2; Cp=C1.2;
2)R1=R1.1; R2=R2.2; R3=R3.1||R3.2; Cp=C1.2; R2.2 – зашунтирован С2.1;
3)R1=R1.1; R2=R2.1; R3=R3.1||R3.2; Cp=C1.2;
4)R1=R1.1; R2=R2.1; R3=R3.1||R3.2; Cp=C1.1;
Результаты эксперимента сведены в таблице 1:
| f, Гц | Вариант исполнения схемы | |||||||
| 1 | 2 | 3 | 4 | |||||
| 2Umвых, дБ | Ки, дБ | 2Umвых, дБ | Ки, дБ | 2Umвых, дБ | Ки, дБ | 2Umвых, дБ | Ки, дБ | |
| 10 | -31.5 | 8.5 | -31.5 | 8.5 | - | 0 | - | 0 |
| 20 | -25.3 | 14.7 | -25.5 | 14.5 | - | 0 | - | 0 |
| 40 | -19.5 | 20.5 | -19.5 | 20.5 | -39.5 | 0.5 | - | 0 |
| 100 | -11.8 | 28.2 | -11.5 | 28.5 | -31.8 | 8.2 | - | 0 |
| 200 | -6.4 | 33.6 | -6.5 | 33.5 | -26.8 | 13.2 | -37.5 | 2.5 |
| 400 | -2.5 | 37.5 | -2.5 | 37.5 | -22.5 | 17.5 | -31.5 | 8.5 |
| 1000 | 0 | 40.0 | -0.65 | 39.4 | -20.1 | 19.9 | -25.0 | 15.0 |
| 2000 | 0 | 40.0 | -1.8 | 38.2 | -20.0 | 20.0 | -21.8 | 18.5 |
| 4000 | 0 | 40.0 | -5.0 | 35.0 | -20.0 | 20.0 | -20.5 | 19.5 |
| 10000 | -1.8 | 38.2 | -12.0 | 28.0 | -20.0 | 20.0 | -20 | 20.0 |
| 20000 | -5.4 | 34.6 | -18.0 | 22.0 | -20.0 | 20.0 | -20 | 20.0 |
| 40000 | -10.5 | 29.5 | -23.7 | 16.3 | -20.5 | 19.5 | -20.5 | 19.7 |
| 100000 | -18.1 | 21.9 | -32.0 | 8.0 | -22.0 | 18.0 | -22.5 | 17.5 |
| 200000 | -24.0 | 16.0 | -37.5 | 2.5 | -26.0 | 14.0 | -26.0 | 14.0 |
| 400000 | -30.0 | 10.0 | - | 0 | -31.0 | 9.0 | -31.0 | 9.0 |
| 1000000 | -38.0 | 2.0 | - | 0 | -39.0 | 1.0 | -39.0 | 1.0 |
Таблица 1. Экспериментальные данные по ЛАЧХ.
Характеристики
Тип файла документ
Документы такого типа открываются такими программами, как Microsoft Office Word на компьютерах Windows, Apple Pages на компьютерах Mac, Open Office - бесплатная альтернатива на различных платформах, в том числе Linux. Наиболее простым и современным решением будут Google документы, так как открываются онлайн без скачивания прямо в браузере на любой платформе. Существуют российские качественные аналоги, например от Яндекса.
Будьте внимательны на мобильных устройствах, так как там используются упрощённый функционал даже в официальном приложении от Microsoft, поэтому для просмотра скачивайте PDF-версию. А если нужно редактировать файл, то используйте оригинальный файл.
Файлы такого типа обычно разбиты на страницы, а текст может быть форматированным (жирный, курсив, выбор шрифта, таблицы и т.п.), а также в него можно добавлять изображения. Формат идеально подходит для рефератов, докладов и РПЗ курсовых проектов, которые необходимо распечатать. Кстати перед печатью также сохраняйте файл в PDF, так как принтер может начудить со шрифтами.
















