Для студентов МГТУ им. Н.Э.Баумана по предмету Сопротивление материаловСтатически определимые балкиСтатически определимые балки
5,0051
2023-01-022024-09-13СтудИзба
Вариант 18 - ДЗ №3 - "Статически определимые балки"
ДЗ 3: Статически определимые балки вариант 18
-25%
Описание
Полный типовой расчет по сопротивлению материалов №3 "Статически определимые балки", 2 задачи, зачтено
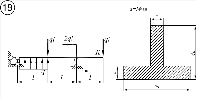
Задача 1:
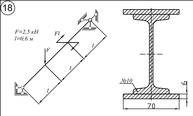
Задача 2:
Показать/скрыть дополнительное описание
Задача 1:


Задача 2:


Показать/скрыть дополнительное описание
Типовой расчет по сопротивлению материалов МГТУ 3 семестр домашнее задание кручение сжатие растяжение.
Характеристики домашнего задания
Предмет
Учебное заведение
Семестр
Номер задания
Вариант
Теги
Просмотров
63
Качество
Фото рукописных листов
Размер
4,56 Mb
Список файлов
Вариант 18 Прямой изгиб 202.pdf

Спасибо за покупку! Я буду очень рад, если поставишь справедливую оценку купленному файлу :3 Ищи больше работ в моём профиле, там много нужного тебе!