Для студентов МГТУ им. Н.Э.Баумана по предмету Сопротивление материаловСтатически определимые балкиСтатически определимые балки
5,0052
2021-01-112024-11-13СтудИзба
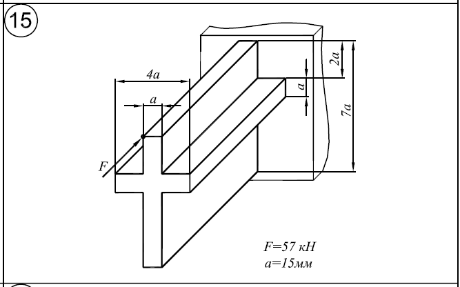
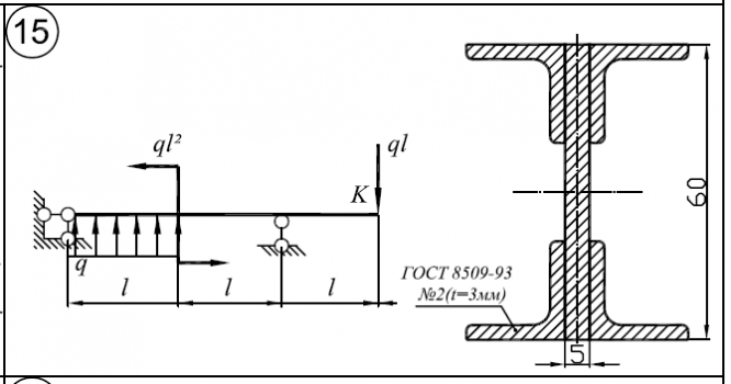
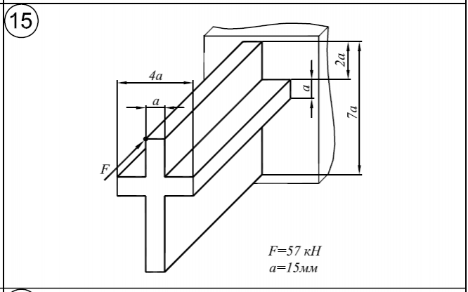
ДЗ 3: Статически определимые балки вариант 15
-50%
Описание
Нужна только одна задача из всех? - Нажимай на ссылку
Файлы условия, демо
Характеристики домашнего задания
Предмет
Учебное заведение
Семестр
Номер задания
Вариант
Теги
Просмотров
183
Качество
Фото рукописных листов
Размер
4,62 Mb
Список файлов
4.1.pdf
4.2.pdf

Вам все понравилось? Получите кэшбэк - 40 рублей на Ваш счёт при покупке. Поставьте оценку и напишите положительный комментарий к купленному файлу. После Вы получите деньги на ваш счет.