Для студентов МГТУ им. Н.Э.Баумана по предмету Сопротивление материаловСтатически определимые балкиСтатически определимые балки
5,0053
2020-12-062020-12-06СтудИзба
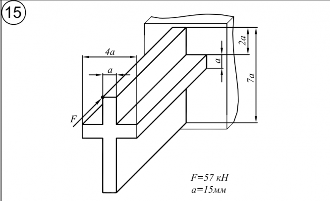
ДЗ 3: Статически определимые балки вариант 15
Описание
Характеристики домашнего задания
Предмет
Учебное заведение
Семестр
Номер задания
Вариант
Теги
Просмотров
148
Размер
6 Mb
Список файлов
дз на изгиб.pdf
МГТУ им. Н.Э.Баумана


















