Для студентов по предмету МенеджментНа рис.1 приведена принципиальная схема объемного гидропривода вращательного движения. Известны следующие величины: - рабочий объем гидромотора qм=32 На рис.1 приведена принципиальная схема объемного гидропривода вращательного движения. Известны следующие величины: - рабочий объем гидромотора qм=32
5,00518030
2022-06-142022-06-14СтудИзба
На рис.1 приведена принципиальная схема объемного гидропривода вращательного движения. Известны следующие величины: - рабочий объем гидромотора qм=32 см3; - механический КПД ηм=0,98; - перепад давления на гидромоторе Δpм=10 МПа; - подача насоса Qн= 0
Описание
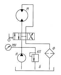
На рис.1 приведена принципиальная схема объемного гидропривода вращательного движения. Известны следующие величины:
- рабочий объем гидромотора qм=32 см3;
- механический КПД ηм=0,98;
- перепад давления на гидромоторе Δpм=10 МПа;
- подача насоса Qн= 0,5∙10-3 м3/с.
Требуется определить:
- крутящий момент на валу гидромотора Mк;
- частоту вращения вала гидромотора n;
- эффективную мощность гидропривода Nэ;
- мощность на валу насоса, если кпд насоса ηн=0,85;
- КПД гидропривода η.
Рис. 1:
Б – гидробак; Н – гидонасос; КП – предохранительный клапан;
Р - распределитель; М – гидромотор; Ф – фильтр; МН – манометр
Характеристики решённой задачи
Предмет
Программы
Просмотров
1
Качество
Идеальное компьютерное
Размер
40,41 Kb
Список файлов
Задача.docx
