Для студентов по предмету Механика жидкости и газа (МЖГ или Гидравлика)Два резервуара, содержащие воду (резервуар А закрыт, резервуар В открыт и связан с атмосферой), соединены с помощью трубопроводов с диаметрами d1=70 мДва резервуара, содержащие воду (резервуар А закрыт, резервуар В открыт и связан с атмосферой), соединены с помощью трубопроводов с диаметрами d1=70 м
5,0058
2022-06-032022-06-03СтудИзба
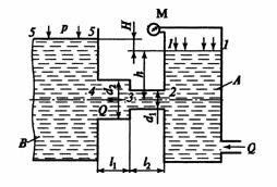
Два резервуара, содержащие воду (резервуар А закрыт, резервуар В открыт и связан с атмосферой), соединены с помощью трубопроводов с диаметрами d1=70 мм и d2=100 мм и длинами l1=3 м и l2=5 м. Разность уровней воды в резервуарах H=5 м. Предположим, что
Описание
Два резервуара, содержащие воду (резервуар А закрыт, резервуар В открыт и связан с атмосферой), соединены с помощью трубопроводов с диаметрами d1=70 мм и d2=100 мм и длинами l1=3 м и l2=5 м. Разность уровней воды в резервуарах H=5 м. Предположим, что уровни 1- 1 и 5-5 остаются постоянными. Определить расход воды Q, если рм=20 Н/см2=20∙104 Н/м2; λ=0,02, ξ2=0,5, ξ4=1.

Характеристики решённой задачи
Номер задания
Просмотров
46
Качество
Скан печатных листов
Размер
1,97 Mb
Список файлов
1.jpg
