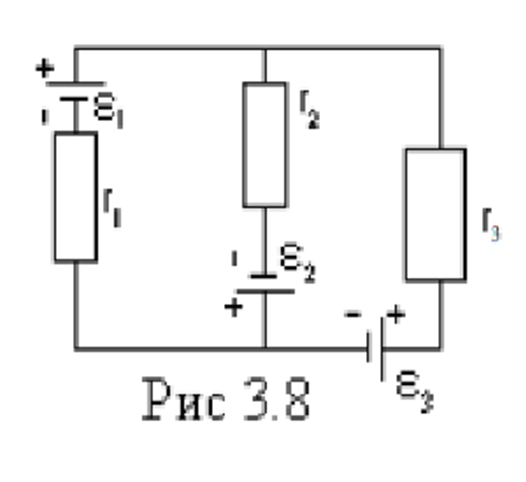
Для студентов по предмету ФизикаВ цепи, изображенной на рис. 3.8, найти токи в каждой ветви и разность потенциалов между узлами схемы, если ЭДС источников тока равны: e1 = 5 В, e2 = В цепи, изображенной на рис. 3.8, найти токи в каждой ветви и разность потенциалов между узлами схемы, если ЭДС источников тока равны: e1 = 5 В, e2 =
5,00511
2021-11-052021-11-05СтудИзба
В цепи, изображенной на рис. 3.8, найти токи в каждой ветви и разность потенциалов между узлами схемы, если ЭДС источников тока равны: e1 = 5 В, e2 = 3 В, e3 = 4 В и сопротивления r1 = 2 Ом, r2= 4 Ом, r3= 3 Ом. Внутренними сопротивлениями источников
Описание
В цепи, изображенной на рис. 3.8, найти токи в каждой ветви и разность потенциалов между узлами схемы, если ЭДС источников тока равны: e1 = 5 В, e2 = 3 В, e3 = 4 В и сопротивления r1 = 2 Ом, r2= 4 Ом, r3= 3 Ом. Внутренними сопротивлениями источников тока пренебречь.
Характеристики решённой задачи
Предмет
Программы
Просмотров
86
Качество
Идеальное компьютерное
Размер
77,65 Kb
Список файлов
