Для студентов МГТУ им. Н.Э.Баумана по предмету Детали машин (ДМ)Курсач 349 (Ленточный траспортёр) Идеальные Листы + РПЗ, всё по высшему классуКурсач 349 (Ленточный траспортёр) Идеальные Листы + РПЗ, всё по высшему классу
4,78522167
2013-10-192013-10-19СтудИзба
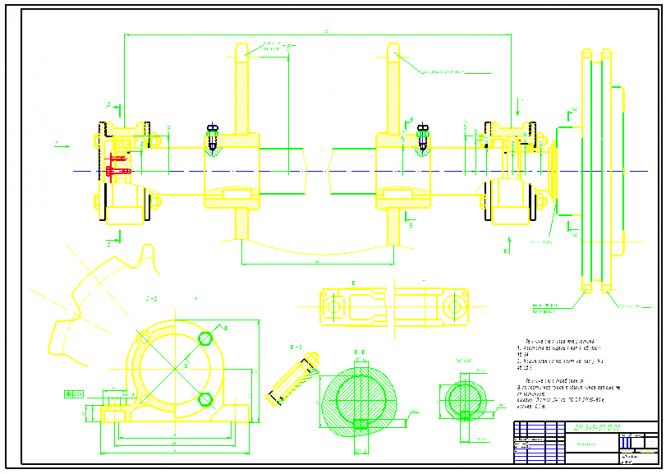
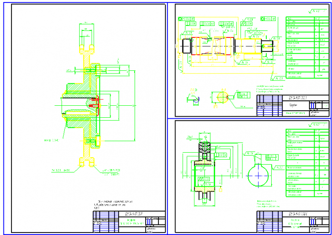
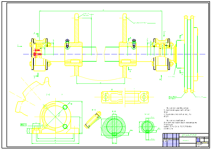
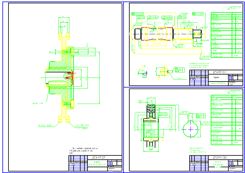
Курсовая работа ДМ: Курсач 349 (Ленточный траспортёр) Идеальные Листы + РПЗ, всё по высшему классу вариант 349
Описание








Введение.
Ленточный транспортер – машина непрерывного транспорта для горизонтального перемещения различных грузов, устанавливаемая в отапливаемом помещении. С его помощью можно также перемещать сыпучие и кусковые материалы. Транспортер широко применяют для механизации погрузочно-разгрузочных операций, для транспортировки изделий в технологических поточных линиях и т.д.
В настоящее время, известно большое количество разнообразных транспортирующих устройств, различающихся как по принципу действия, так и по конструкции.
Характеристики курсовой работы
Предмет
Учебное заведение
Семестр
Номер задания
Вариант
Просмотров
654
Качество
Идеальное компьютерное
Размер
1,62 Mb
Список файлов
349 -2008
~$аписка.doc
записка.doc
проект ред.dwg
проект ред.frw

Зарабатывай на студизбе! Просто выкладывай то, что так и так делаешь для своей учёбы: ДЗ, шпаргалки, решённые задачи и всё, что тебе пригодилось.
Начать зарабатывать
Начать зарабатывать